文库 法规规章标准库 建筑施工

第1部分一般规定 GB12706.1-91.pdf

付费文档 积分文档 PDF   16页   下载0   2023-08-12   浏览295   收藏0   点赞0   评分-   24715字   10积分
温馨提示:当前文档最多只能预览 5 页,若文档总页数超出了 6 页,请下载原文档以浏览全部内容。
第1部分一般规定 GB12706.1-91.pdf 第1页
第1部分一般规定 GB12706.1-91.pdf 第2页
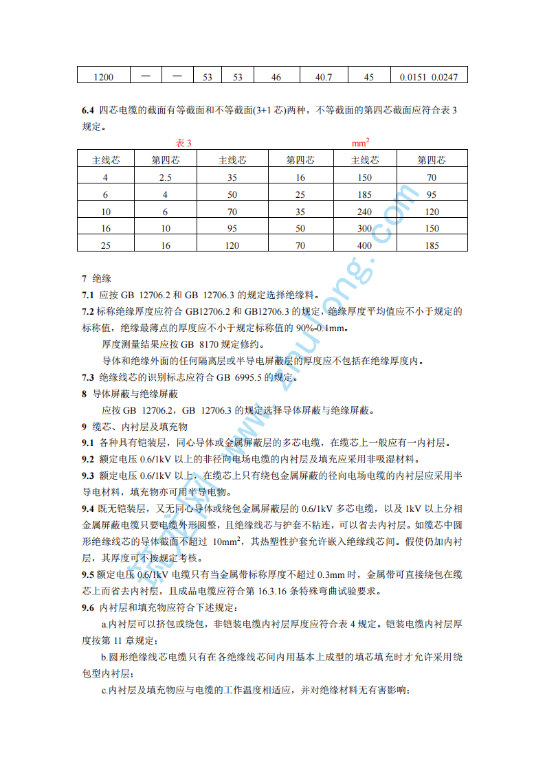
第1部分一般规定 GB12706.1-91.pdf 第3页
第1部分一般规定 GB12706.1-91.pdf 第4页
第1部分一般规定 GB12706.1-91.pdf 第5页
剩余11页未读, 下载浏览全部
1%Um5%ZZZ]KXORQJFRP ÖлªÈËÃñ¹²ºÍ¹ú¹ú¼Ò±ê×¼ ¶î¶¨µçѹ35kV¼°ÒÔÏÂͭо¡¢ÂÁо ËÜÁϾøÔµµçÁ¦µçÀ UDC621.315.51/.53 K 13 µÚ1²¿·Ö£ºÒ»°ã¹æ¶¨ GB12706.1¡ª91 Copper or aluminium conductor extruded plastic insulated power cables with rated voltages up to 35kV Part 1£ºGeneral ¹ú¼Ò¼¼Êõ¼à¶½¾Ö1991-01-19Åú×¼ 1991-10-01ʵʩ ±¾±ê×¼µÈЧ²ÉÓùú¼Ê±ê×¼IEC502(1983)¡¶¶î¶¨µçѹ1kV¡«30kVËÜÁϼ·°ü¾øÔµµçÁ¦µç À¡·¡£ 1 Ö÷ÌâÄÚÈÝÓëÊÊÓ÷¶Î§ ±¾±ê×¼¹æ¶¨Á˶µçѹ35kV¼°ÒÔÏÂͭо¡¢ÂÁоËÜÁϾøÔµµçÁ¦µçÀµIJÄÁÏ¡¢¼¼ÊõÒªÇó¡¢ ÑéÊÕ¹æÔò¡¢°ü×°¼°ÖüÔË¡£ ±¾±ê×¼ÊÊÓÃÓÚ½»Á÷¶î¶¨µçѹ35kV¼°ÒÔÏÂͭо»òÂÁо¾ÛÂÈÒÒÏ©¡¢¾ÛÒÒÏ©»ò½»Áª¾ÛÒÒÏ©¾ø ÔµËÜÁÏ»¤Ì×µçÁ¦µçÀ¡£ ±¾±ê×¼±ØÐëÓëGB 12706.2£¬GB 12706.3µÈÒ»ÆðʹÓᣠµçÀµĶµçѹӦÊʺÏÓÚʹÓõçÀµÄϵͳµÄÔËÐÐ×´¿ö£¬ÓÃU 0/U(U m)±íʾ£¬¾ùΪÓÐЧֵ£¬ µ¥Î»ÎªkV¡£ U 0¡ª¡ªµçÀÂÉè¼ÆÓõĵ¼ÌåÓëÆÁ±Î»ò½ðÊôÌ×Ö®¼äµÄ¶î¶¨¹¤Æµµçѹ£» U¡ª¡ªµçÀÂÉè¼ÆÓõĵ¼ÌåÖ®¼äµÄ¶î¶¨¹¤Æµµçѹ£» U m¡ª¡ªÉ豸×î¸ßµçѹ(ʹÓÃÉ豸µÄϵͳ×î¸ßµçѹµÄ×î´óÖµ)¡£ ÈýÏàϵͳÓõçÀµĶµçѹÈç±í1¹æ¶¨¡£ ±í1 kV U 0 U Um µÚ1ÀàµçÀ µÚ2ÀàµçÀ 1 — 0.6 0.6 3 3.6 1.8 3.6 6 7.2 3.6 6 10 12 6 8.7 15 17.5 8.7 12 20 24 12 18 35 42 21 26 ×¢£ºU 0°´ÏµÍ³½ÓµØ¹ÊÕϳÖÐøÊ±¼ä²»Í¬·ÖΪÁ½À࣬¾ßÌå·ÖÀàÈçÏ£º 1%Um5%ZZZ]KXORQJFRP µÚ1ÀàµçÀ¡ª¡ªÓÃÓÚµ¥Ïà½ÓµØ¹ÊÕÏʱ¼äÿһ´ÎÒ»°ã²»´óÓÚ1minµÄϵͳ£¬Òà¿ÉÓÃÓÚ× ²» ³¬¹ý8h£¬Ã¿ÄêÀۼƲ»³¬¹ý125hµÄϵͳ¡£ µÚ2ÀàµçÀ¡ª¡ªÓÃÓڽӵعÊÕÏʱ¼ä¸ü³¤µÄϵͳ£¬¶ÔµçÀ¾øÔµÐÔÄÜÒªÇó½Ï¸ßµÄ³¡ºÏ£¬Ò²Ó¦ ²ÉÓõÚ2Àà¡£ 2 ÒýÓñê×¼ GB2951.19 µçÏßµçÀ ȼÉÕÊÔÑé·½·¨ GB2951.23 µçÏßµçÀ ÍäÇúÊÔÑé·½·¨ GB2952.1 µçÀÂÍ⻤Ì× µÚÒ»²¿·Ö£º×ÜÔò GB2952.2 µçÀÂÍ⻤Ì× µÚ¶þ²¿·Ö£º½ðÊôÌ×µçÀÂͨÓÃÍ⻤Ì× GB2952.3 µçÀÂÍ⻤Ì× µÚÈý²¿·Ö£º·Ç½ðÊôµçÀÂͨÓÃÍ⻤Ì× GB2952.4 µçÀÂÍ⻤Ì× µÚËIJ¿·Ö£ºÇ¦Ì׳äÓ͵çÀÂÌØÖÖÍ⻤Ì× GB3953 µç¹¤Ô²Í­Ïß GB3955 µç¹¤Ô²ÂÁÏß GB3957 µçÁ¦µçÀÂÍ­¡¢ÂÁµ¼µçÏßо GB4005
第1部分一般规定 GB12706.1-91.pdf
下载提示

欢迎注册登陆领取积分/会员免费下载--获取途径:

1.上传文档获得2积分      2.签到获取。  3.个人中心获取邀请链接邀请好友获取积分   4.参加首页活动免费获取7天/90天会员

AI助手联系客服