登录
内容
内容
文库
首页
分类
文库专题
文档悬赏
文库移动端
网盘资源
标签库
智安生态
资讯
AI助手
智安导航
智安培训
考培中心
VIP
签到
文库
法规规章标准库
建筑施工
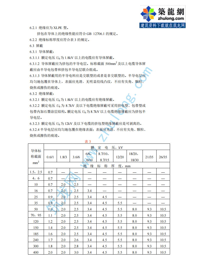
第3部分交联聚乙烯绝缘 GB12706.3-91.pdf
付费文档
积分文档
PDF
9页
下载0
2023-08-12
浏览505
收藏0
点赞0
评分-
10积分
温馨提示:当前文档最多只能预览 5 页,若文档总页数超出了 6 页,请下载原文档以浏览全部内容。
剩余4页未读,
下载浏览全部
收藏
已收藏
文档描述
第3部分交联聚乙烯绝缘 GB12706.3-91.pdf
下载提示
欢迎注册登陆领取积分/会员免费下载--获取途径:
1.上传文档获得2积分 2.签到获取。 3.个人中心获取邀请链接邀请好友获取积分 4.参加首页活动免费获取7天/90天会员
AI助手
|
联系客服
职场考资
这个人很懒,什么都没留下
未认证用户
查看用户
该文档于
上传
推荐文档
最新文档
建筑施工扣件式钢管脚手架安全技术规范JGJ130-2011
GB T 42355钢筋混凝土用锚固板钢筋 第2部分:试验方法.pdf
土地复垦质量控制标准TD1034-2013.pdf
市政用工程设计文件编制深度规定(2013年高清版).pdf
第3部分交联聚乙烯绝缘 GB12706.3-91.pdf
第1部分一般规定 GB12706.1-91.pdf
边坡设计规范.pdf
ZJQ08-SGJB 203-2017 砌体工程施工技术标准.pdf
YST 5211-2018注浆技术规程.pdf
YS 5202-2004 岩土工程勘察技术规范.pdf
您正在使用低版本浏览器,为了获得更良好的体验,建议您升级浏览器,为您推荐:
谷歌浏览器
火狐浏览器
360浏览器
×
文库主页
上传文档
智安导航
安全资讯
智安ai
智安培训