文库 法规规章标准库 环境保护 技术指南

铜冶炼污染防治可行技术指南(试行).pdf

付费文档 积分文档 PDF   31页   下载0   2023-08-13   浏览484   收藏0   点赞0   评分-   25720字   10积分
温馨提示:当前文档最多只能预览 5 页,若文档总页数超出了 6 页,请下载原文档以浏览全部内容。
铜冶炼污染防治可行技术指南(试行).pdf 第1页
铜冶炼污染防治可行技术指南(试行).pdf 第2页
铜冶炼污染防治可行技术指南(试行).pdf 第3页
铜冶炼污染防治可行技术指南(试行).pdf 第4页
铜冶炼污染防治可行技术指南(试行).pdf 第5页
剩余26页未读, 下载浏览全部
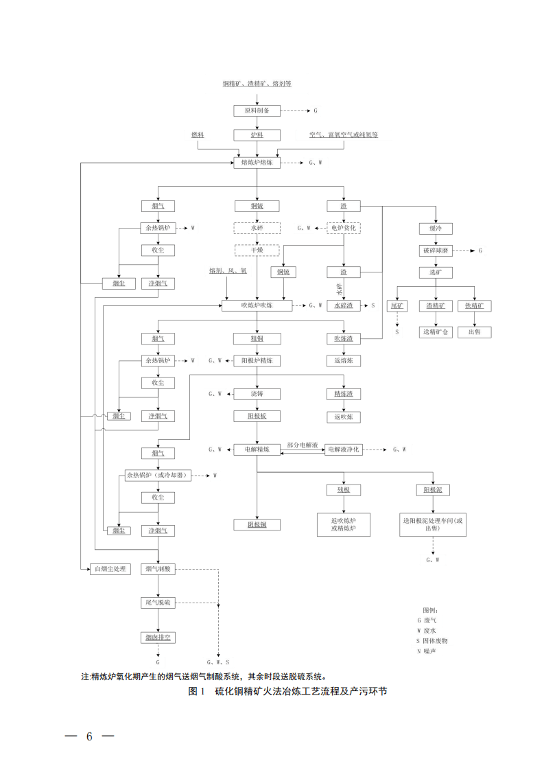
— 3 — 附件 1 环 境 保 护 技 术 文 件 铜冶炼污染防治可行技术指南 (试行) Guideline on Available Technologies of Pollution Prevention and Control for Copper Smelting Industry (on Trial) 环 境 保 护 部 — 4 — 前 言 为贯彻执行 《 中华人民共和国环境保护法 》 , 防治环境污染 , 完善环保技术工作体系 , 制定本指南 。 本指南以当前技术发展和应用状况为依据, 可作为铜冶炼项目污染防治工作的参考技术资料。 本指南由环境保护部科技标准司提出并组织制订。 本指南起草单位:中冶建筑研究总院有限公司、中国恩菲工程技术有限公司。 本指南由环境保护部解释。 — 5 — 1 总则 1.1 适用范围 本指南适用于处理铜矿石、铜精矿和其他含铜物料的铜冶炼企业。 1.2 术语和定义 1.2.1 标准状态 指温度为 273.15K 、压力为 101325Pa 时的状态。本 指南 涉及的大气污染物浓度均以标准状态下的 干气体为基准。 1.2.2 卫生通风系统 在有废气产生的生产节点设机械排风装置 , 控制粉尘和有害气体的扩散 , 减少无组织排放 , 创造满 足职业卫生要求的生产环境,并根据需要对排风进行治理的通风系统。 2 生产工艺及污染物排放 2.1 生产工艺及产污环节 2.1.1 火法炼铜工艺 火法冶炼是利用高温从硫化铜精矿或废杂铜中提取金属铜或其化合物的过程。 硫化铜精矿火法冶炼生产过程通常由以下几个工序组成 : 备料 、 熔炼 、 吹炼 、 火法精炼 、 电解精炼 , 最终产品为 精炼铜( 电解铜 ) 。 硫化铜精矿火法冶炼工艺流程及产污环节见图 1 。 2.1.2 湿法炼铜工艺 湿法炼铜是在常温常压或高压下 , 用溶剂或细菌浸出矿石或焙烧矿中的铜 , 浸出液经过萃取或其他 净液方法 , 使铜和杂质分离 , 然后用电积法 , 将溶液中的铜提取出来 。 氧化矿和自然铜矿通常采用溶剂 直接浸出方法;硫化矿通常采用细菌浸出方法。 湿法炼铜工艺流程及产污环节见图 2 。 — 6 —注 : 精炼炉氧化期产生的烟气送烟气制酸系统,其余时段送脱硫系统。 图 1 硫化铜精矿火法冶炼工艺流程及产污环节 — 7 — 图 2 湿法炼铜工艺流程及产污环节 2.2 污染物排放 铜冶炼过程中产生的污染包括大气污染 、 水污染 、 固体废物污染和噪声污染 , 其中大气污染 、 水污 染、固体废物污染是主要环境问题。 2.2.1 大气污染 铜冶炼过程中产生的大气污染物主要为颗粒物、 SO 2 、硫酸雾。 铜冶炼过程中主要大气污染物及来源见表 1 。 表 1 铜冶炼大气污染物及来源 火法炼铜 工序 污染源 主要污染
铜冶炼污染防治可行技术指南(试行).pdf
下载提示

欢迎注册登陆领取积分/会员免费下载--获取途径:

1.上传文档获得2积分      2.签到获取。  3.个人中心获取邀请链接邀请好友获取积分   4.参加首页活动免费获取7天/90天会员

AI助手联系客服