文库 法规规章标准库 常用安全标准规范

GB17915-2013 腐蚀性商品储存养护技术条件.pdf

付费文档 积分文档 PDF   13页   下载21   2024-12-13   浏览1325023   收藏0   点赞0   评分-   10444字   50积分
温馨提示:当前文档最多只能预览 6 页,若文档总页数超出了 6 页,请下载原文档以浏览全部内容。
GB17915-2013 腐蚀性商品储存养护技术条件.pdf 第1页
GB17915-2013 腐蚀性商品储存养护技术条件.pdf 第2页
GB17915-2013 腐蚀性商品储存养护技术条件.pdf 第3页
GB17915-2013 腐蚀性商品储存养护技术条件.pdf 第4页
GB17915-2013 腐蚀性商品储存养护技术条件.pdf 第5页
GB17915-2013 腐蚀性商品储存养护技术条件.pdf 第6页
剩余7页未读, 下载浏览全部
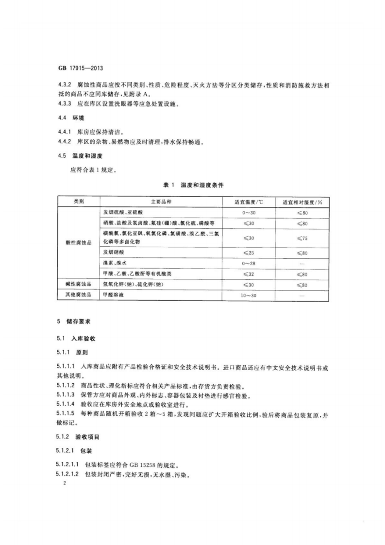
ICS 13.300 A 87 GB ÖлªÈËÃñ ¹² ºÍ ¹ú ¹ú¼Ò ±ê ×¼ GB 17915¡ª2013 ´úÌæGB 17915¡ª1999 ¸¯Ê´ÐÔÉÌÆ·´¢´æÑø»¤¼¼ÊõÌõ¼þ Specifications for storage and preservation of corrosive goods 2013-12-17 ·¢²¼ 2014-07-01ʵʩ ÖлªÈËÃñ¹²ºÍ¹ú¹ú¼ÒÖÊÁ¿¼à¶½¼ìÑé¼ìÒß×Ü¾Ö ÖÐ ¹ú ¹ú ¼Ò ±ê ×¼ »¯ ¹Ü Àí ί Ô± »á ·¢ ²¼ GB 17915¡ª2013 ǰ ÑÔ ±¾±ê×¼µÄµÚ4Õ¡¢µÚ5Õ¡¢µÚ6Õ¡¢µÚ7Õº͵Ú8ÕÂÎªÇ¿ÖÆÐÔÌõ¿î£¬ÆäÓàÎªÍÆ¼öÐÔÌõ¿î£¬ ±¾±ê×¼ÒÀ¾ÝGB/T 1.1-2009 ¸ø³öµÄ¹æÔòÆð²Ý¡£ ±¾±ê×¼´úÌæGB 17915¡ª1999¡¶¸¯Ê´ÐÔÉÌÆ·´¢²ØÑø»¤¼¼ÊõÌõ¼þ¡·¡£ ±¾±ê×¼ÓëGB 17915¡ª1999Ïà±È£¬Ö÷Òª²îÒìÈçÏ£º ¡ª½«±ê×¼Ãû³Æ¸ÄΪ¡¶¸¯Ê´ÐÔÉÌÆ·´¢´æÑø»¤¼¼ÊõÌõ¼þ¡·; Ôö¼ÓÁ˸¯Ê´ÐÔÉÌÆ·µÄÊõÓ ¡ª¡ªÃ÷È·Á˱êǩӦ·ûºÏGB 15258 µÄ¹æ¶¨£» ¡ªÔö¼ÓÁËÑéÊÕʱӦִÐÐË«È˸´ºËÖÆ£» -¡ªÔö¼ÓÁË×÷ÒµÈËÔ±Ó¦³ÖÓС°ÉϸÚ×÷Òµ×ʸñÖ¤Ê顱; ¡ª¡ª¸½Â¼BÓɹ淶ÐÔ¸½Â¼¸ü¸ÄΪ×ÊÁÏÐÔ¸½Â¼¡£ ±¾±ê×¼ÓÉÖйúÉÌÒµÁªºÏ»áÌá³ö²¢¹é¿Ú¡£ ±¾±ê×¼Ö÷ÒªÆð²Ýµ¥Î»£ºÕã½­½¨Òµ»¯¹¤¹É·ÝÓÐÏÞ¹«Ë¾¡¢Öйú²Ö´¢Ð­»á¡¢Õã½­Ê¡°²È«Éú²ú¿ÆÑ§Ñо¿Ôº¡¢ ÖйúÉÌÒµÁªºÏ»á¡£ ±¾±ê×¼Ö÷ÒªÆð²ÝÈË£º²Ü¼Ä÷¡¢ÏÄÒæÖÒ¡¢ÉòÉÜ»ù¡¢ËïÕñ²¨¡¢²ñ±£Éí¡¢½ùÏþÀÙ¡£ ±¾±ê×¼µÄÀú´Î°æ±¾·¢²¼Çé¿öΪ£º GB 17915¡ª1999, I GB 17915¡ª2013 ¸¯Ê´ÐÔÉÌÆ·´¢´æÑø»¤¼¼ÊõÌõ¼þ 1 ·¶Î§ ±¾±ê×¼¹æ¶¨Á˸¯Ê´ÐÔÉÌÆ·´¢´æÑø»¤¼¼ÊõÌõ¼þµÄÊõÓïºÍ¶¨Òå¡¢´¢´æÌõ¼þ¡¢´¢´æÒªÇó¡¢Ñø»¤¼¼Êõ¡¢°²È«²Ù ×÷¡¢³ö¿â¡¢Ó¦¼±´¦ÀíµÄÒªÇó¡£ ±¾±ê×¼ÊÊÓÃÓÚ3.1¶¨ÒåÉÌÆ·µÄ´¢´æÑø»¤¡£ 2 ¹æ·¶ÐÔÒýÓÃÎļþ ÏÂÁÐÎļþ¶ÔÓÚ±¾ÎļþµÄÓ¦ÓÃÊDZز»¿ÉÉٵġ£·²ÊÇ×¢ÈÕÆÚµÄÒýÓÃÎļþ£¬½ö×¢ÈÕÆÚµÄ°æ±¾ÊÊÓÃÓÚ±¾ÎÄ ¼þ¡£·²ÊDz»×¢ÈÕÆÚµÄÒýÓÃÎļþ£¬Æä×îа汾(°üÀ¨ËùÓеÄÐ޸ĵ¥)ÊÊÓÃÓÚ±¾Îļþ¡£ GB 6944-2012 ΣÏÕ»õÎï·ÖÀàºÍÆ·Ãû±àºÅ GB 15258 »¯Ñ§Æ·°²È«±êÇ©±àд¹æ¶¨ GB 50016 ½¨ÖþÉè¼Æ·À»ð¹æ·¶ GB 50046 ¹¤Òµ½¨Öþ·À¸¯Ê´Éè¼Æ¹æ·¶ 3 ÊõÓïºÍ¶¨Òå ÏÂÁÐÊõÓïºÍ¶¨ÒåÊÊÓÃÓÚ±¾Îļþ¡£ 3.1 ¸¯Ê´ÐÔÉÌÆ· corrosive goods ͨ¹ý»¯Ñ§×÷Óã¬Ê¹ÉúÎï×éÖ¯½Ó´¥Ê±»áÔì³ÉÑÏÖØËðÉË£¬»òÔÚÉøÂ©Ê±»áÑÏÖØËðº¦ÉõÖÁ»Ù»µÆäËû»õÎï»òÔË ÔØ¹¤¾ßµÄÎïÖÊ¡£ ×¢£º¸ÄдGB 6944¡ª2012,ΣÏÕ»õÎï·ÖÀà4.9.1. 4 ´¢´æÌõ¼þ 4.1 ¿â·¿ 4.1.1 Ó¦ÒõÁ¹¡¢¸ÉÔͨ·ç¡¢±Ü¹â¡£Ó¦¾­¹ý·À¸¯Ê´¡¢·ÀÉø´¦Àí£¬¿â·¿µÄ½¨ÖþÓ¦·ûºÏGB 50046µÄ¹æ¶¨¡£ 4.1.2 ´¢´æ·¢ÑÌÏõËá¡¢äåËØ¡¢¸ßÂÈËáµÄ¿â·¿Ó¦¸ÉÔïͨ·ç£¬ÄÍ»ðÒªÇóÓ¦·ûºÏGB 50016µÄ¹æ¶¨£¬ÄÍ»ðµÈ¼¶²» µÍÓÚ¶þ¼¶¡£ 4.1.3 äåÇâËá¡¢µâÇâËáÓ¦±Ü¹â´¢´æ£¬äåËØÓ¦×¨¿â´¢´æ¡£ 4.2 »õÅ¶Ìì»õ³¡ »õÅïÓ¦¸ÉÔïÎÀÉú¡£Â¶Ìì»õ³¡Ó¦·À³±·ÀË®¡£ 4.3 °²È« 4.3.1 ¸¯Ê´ÐÔÉÌÆ·Ó¦±ÜÃâÑô¹âÖ±Éä¡¢ÆØÉ¹£¬Ô¶ÀëÈÈÔ´¡¢µçÔ´¡¢»ðÔ´£¬¿â·¿½¨Öþ¼°¸÷ÖÖÉ豸Ӧ·ûºÏGB 50016 µÄ¹æ¶¨¡£ 1 GB 17915¡ª2013 4.3.2 ¸¯Ê´ÐÔÉÌÆ·Ó¦°´²»Í¬Àà±ð¡¢ÐÔÖÊ¡¢Î£Ïճ̶ȡ¢Ãð»ð·½·¨µÈ·ÖÇø·ÖÀà´¢´æ£¬ÐÔÖʺÍÏû·ÀÊ©¾È·½·¨Ïà µÖµÄÉÌÆ·²»Ó¦Í¬¿â´¢´æ£¬¼û¸½Â¼ A. 4.3.3 Ó¦ÔÚ¿âÇøÉèÖÃÏ´ÑÛÆ÷µÈÓ¦¼±´¦ÖÃÉèÊ©¡£ 4.4 »·¾³ 4.4.1 ¿â·¿Ó¦±£³ÖÇå½à¡£ 4.4.2 ¿âÇøµÄÔÓÎï¡¢Ò×ȼÎïÓ¦¼°Ê±ÇåÀí£¬ÅÅË®±£³Ö³©Í¨¡£ 4.5 ζȺÍʪ¶È Ó¦·ûºÏ±í1¹æ¶¨¡£ ±í1 ζȺÍʪ¶ÈÌõ¼þ Àà±ð Ö÷ҪƷÖÖ ÊÊÒËζÈ/¡æ ÊÊÒËÏà¶Ôʪ¶È/% ·¢ÑÌÁòËá¡¢ÑÇÁòËá 0~30 ¡Ü80 ËáÐÔ¸¯Ê´Æ· ÏõËá¡¢ÑÎËá¼°Çâ±Ëá¡¢·ú¹è(Åð)Ëá¡¢Ñõ»¯Áò¡¢Á×ËáµÈ ¡Ü30 ¡Ü80 »Çõ£ÂÈ¡¢Ñõ»¯ÑÇí¿¡¢ÑõÂÈ»¯Áס¢ÂÈ»ÇËá¡¢äåÒÒõ£¡¢ÈýÂÈ ¡Ü30 ¡Ü75 »¯Á׵ȶà±»¯Îï ·¢ÑÌÏõËá ¡Ü25 ¡Ü80 äåËØ¡¢äåË® 0~28 ¼×Ëá¡¢ÒÒËá¡¢ÒÒËáôûµÈÓлúËáÀà ¡Ü32 ¡Ü80 ¼îÐÔĤʴƷ ÇâÑõ»¯¼Ø(ÄÆ)¡¢Áò»¯¼Ø(ÄÆ) ¡Ü30 ¡Ü80 ÆäËû¸¯Ê´Æ·¼×È©ÈÜÒº 10¡«30 5 ´¢´æÒªÇó 5.1 Èë¿âÑéÊÕ 5.1.1 Ô­Ôò 5.1.1.1 Èë¿âÉÌÆ·Ó¦¸½ÓвúÆ·¼ìÑéºÏ¸ñÖ¤ºÍ°²È«¼¼Êõ˵Ã÷Êé¡£½ø¿ÚÉÌÆ·»¹Ó¦ÓÐÖÐÎݲȫ¼¼Êõ˵Ã÷Êé»ò ÆäËû˵Ã÷¡£ 5.1.1.2 ÉÌÆ·ÐÔ×´¡¢Àí»¯Ö¸±êÓ¦·ûºÏÏà¹Ø²úÆ·±ê×¼£¬ÓÉ´æ»õ·½¸ºÔð¼ìÑé¡£ 5.1.1.3 ±£¹Ü·½Ó¦¶ÔÉÌÆ·Íâ¹Û¡¢ÄÚÍâ±êÖ¾¡¢ÈÝÆ÷°ü×°¼°³Äµæ½øÐийټìÑé¡£ 5.1.1.4 ÑéÊÕÓ¦ÔÚ¿â·¿ÍⰲȫµØµã»òÑéÊÕÊÒ½øÐС£ 5.1.1.5 ÿÖÖÉÌÆ·Ëæ»ú¿ªÏäÑéÊÕ2Ïä¡«5Ï䣬·¢ÏÖÎÊÌâÓ¦À©´ó¿ªÏäÑéÊÕ±ÈÀý£¬Ñéºó½«ÉÌÆ·°ü×°¸´Ô­£¬²¢ ×ö±ê¼Ç¡£ 5.1.2 ÑéÊÕÏîÄ¿ 5.1.2.1 °ü×° 5.1.2.1.1 °ü×°±êǩӦ·ûºÏGB 15258µÄ¹æ¶¨¡£ 5.1.2.1.2 °ü×°·â±ÕÑÏÃÜ£¬ÍêºÃÎÞËð£¬ÎÞˮʪ¡¢ÎÛȾ¡£ 2 GB 17915¡ª2013 5.1.2.1.3 °ü×°¡¢ÈÝÆ÷³ÄµæÊʵ±£¬°²È«¡¢Àι̡£ 5.1.2.2 ¸Ð¹Ù 5.1.2.2.1 ÉÌÆ·ÐÔ×´¡¢ÑÕÉ«¡¢Õ³³í¶È¡¢Í¸Ã÷¶È¾ùÓ¦·ûºÏÏà¹Ø²úÆ·±ê×¼¡£ 5.1.2.2.2 ÒºÌåÉÌÆ·ÑÕÉ«ÎÞÒì×´£¬ÎÞÉøÂ©¡£ 5.1.2.2.3 ¹ÌÌåÉÌÆ·ÎÞ±äÉ«£¬ÎÞ³±½â£¬ÎÞÈÜ»¯µÈÏÖÏó¡£ 5.1.3 ÑéÊÕ 5.1.3.1 Ó¦Ö´ÐÐË«È˸´ºËÖÆ¡£ 5.1.3.2 Ó¦·ûºÏ5.1.1 ºÍ5.1.2µÄ¹æ¶¨¡£ 5.1.3.3 ºÏ¸ñÆ·µÄÓ¦°ìÀíÈë¿âÊÖÐø£¬ÌîдÑéÊռǼ¡£ 5.2 ¶Ñ¶â 5.2.1 Ô­Ôò ÉÌÆ·¶Ñ¶âÓ¦±ãÓÚ¶ÑÂë¡¢¼ì²éºÍÏû·ÀÆË¾È£¬»õ¶âÕûÆë¡£ 5.2.2 ·½·¨ 5.2.2.1 ¿â·¿¡¢»õÅï»ò¶Ìì»õ³¡´¢´æµÄÉÌÆ·£¬»õ¶âÏÂÓ¦Óиô³±ÉèÊ©£¬»õ¼ÜÓë¿â·¿µØÃæ¾àÀëÒ»°ã²»µÍÓÚ 15 cm,»õ³¡µÄ¶â¶ÑÓëµØÃæ¾àÀë²»µÍÓÚ30 cm¡£ 5.2.2.2 ¸ù¾ÝÉÌÆ·ÐÔÖÊ¡¢°ü×°¹æ¸ñ²ÉÓÃÊʵ±µÄ¶Ñ¶â·½·¨£¬ÒªÇó»õ¶âÕûÆë£¬¶ÑÂëÀι̣¬ÊýÁ¿×¼È·£¬²»Ó¦µ¹Öᣠ5.2.2.3 °´Èë¿âÏȺó»òÅúºÅ·Ö±ð¶ÑÂë¡£ 5.2.3 ¶Ñ¶â¸ß¶È Ó¦¿ØÖÆÔÚ£º a)´óÌúͰҺÌ壺Á¢Â룻¹ÌÌ壺ƽ·Å£¬²»Ó¦³¬¹ý3 m; b) ´óÏä(ÄÚװ̳¡¢Í°)²»Ó¦³¬¹ý1.5 m; c) »¯Ñ§ÊÔ¼ÁľÏä²»Ó¦³¬¹ý3m;Ö½Ïä²»Ó¦³¬¹ý2.5 m; d) ´ü×°3 m¡«3.5 m¡£ 5.2.4 ¶Ñ¶â¼ä¾à Ó¦±£³ÖÔÚ£º a) Ö÷ͨµÀ¡Ý180 cm; b)֧ͨµÀ¡Ý80 cm; c)ǽ¾à¡Ý30 cm; d) Öù¾à¡Ý10 cm; e) ¶â¾à¡Ý10 cm; f) ¶¥¾à¡Ý50 cm¡£ 6 Ñø»¤¼¼Êõ 6.1 ÎÂʪ¶È¹ÜÀí 6.1.1 ¿âÄÚÉèÖÃÎÂʪ¶È¼Æ£¬°´Ê±¹Û²â¡¢¼Ç¼¡£ 3 GB 17915¡ª2013 6.1.2 ¸ù¾Ý¿â·¿Ìõ¼þºÍÉÌÆ·ÐÔÖÊ£¬Ó¦²ÉÓûúе(ÒªÓзÀ»¤´ëÊ©)·½·¨Í¨·ç¡¢È¥Êª¡¢±£Î¡£ÎÂʪ¶ÈÓ¦·ûºÏ ±í1µÄ¹æ¶¨¡£ 6.2 ¼ì²é 6.2.1 °²È«¼ì²é 6.2.1.1 ÿÌì¶Ô¿â·¿ÄÚÍâ½øÐа²È«¼ì²é£¬¼°Ê±ÇåÀíÒ×ȼÎӦά»¤»õ¶âÀι̣¬ÎÞÒì³££¬ÎÞй©¡£ 6.2.1.2 ÓöÌØÊâÌìÆøÓ¦¼°Ê±¼ì²éÉÌÆ·ÓÐÎÞÊܳ±£¬»õ³¡»õ¶â¿àµæÊÇ·ñÑÏÃÜ¡£ 6.2.1.3 ¶¨ÆÚ¼ì²é¿âÄÚÉèÊ©¡¢Ïû·ÀÆ÷²Ä¡¢·À»¤ÓþßÊÇ·ñÆëÈ«ÓÐЧ¡£ 6.2.2 ÖÊÁ¿¼ì²é 6.2.2.1 ¸ù¾ÝÉÌÆ·ÐÔÖÊ£¬¶¨ÆÚ½øÐийÙÖÊÁ¿¼ì²é£¬Ã¿ÖÖÉÌÆ·³é²é1¼þ~2¼þ¡£ 6.2.2.2 ¼ì²éÉÌÆ·°ü×°¡¢·â¿Ú¡¢³ÄµæÓÐÎÞÆÆËð¡¢ÉøÂ©£¬ÉÌÆ·Íâ¹ÛÓÐÎޱ仯¡£ 6.2.2.3 Èë¿â¼ÆÁ¿µÄÉÌÆ·£¬¶¨Ê±³é¼ì¼ÆËã±£¹ÜËðºÄ¡£ 6.2.3 ÎÊÌâ´¦Àí 6.2.3.1 ¼ì²é½á¹ûÖðÏî¼Ç¼£¬ÔÚÉÌÆ·Íâ°ü×°ÉÏ×ö³ö±ê¼Ç¡£ 6.2.3.2 ·¢ÏÖÎÊÌ⣬Ӧ²ÉÈ¡·ÀÖδëÊ©£¬Í¨Öª´æ»õ·½¼°Ê±´¦Àí£¬²»Ó¦×÷ΪÕý³£ÉÌÆ·³ö¿â¡£ 6.2.3.3 ½Ó½üÓÐЧÆÚµÄÉÌÆ·Ó¦Ìîд´ßµ÷µ¥±¨´æ»õ·½¡£ 7 °²È«²Ù×÷ 7.1 ×÷ÒµÈËÔ±Ó¦³ÖÓи¯Ê´ÐÔÉÌÆ·Ñø»¤ÉϸÚ×÷Òµ×ʸñÖ¤Êé¡£ 7.2 ×÷ҵʱӦ´©´÷·À»¤·þ¡¢»¤Ä¿¾µ¡¢Ï𽺽þËÜÊÖÌ׵ȷÀ»¤Óþߣ¬Ó¦×öµ½£º a) ²Ù×÷ʱӦÇá°áÇá·Å£¬·ÀֹĦ²ÁÕ𶯺Íײ»÷£» b)²»Ó¦Ê¹ÓÃմȾÒìÎïºÍÄܲúÉú»ð»¨µÄ»ú¾ß£¬×÷ÒµÏÖ³¡Ô¶ÀëÈÈÔ´ºÍ»ðÔ´£» c) ·Ö×°¡¢¸Ä×°¡¢¿ªÏä¼ì²éµÈÓ¦ÔÚ¿â·¿Íâ½øÐУ» c) ÓÐÑõ»¯ÐÔÇ¿Ëá²»Ó¦²ÉÓÃľÖÊÆ·»òÒ×ȼ²ÄÖʵĻõ¼Ü»òµæ³Ä¡£ 8 ³ö¿â Ó¦¼á³ÖÏȽøÏȳöµÄÔ­Ôò¡£ 9 Ó¦¼±´¦Àí 9.1 Ïû·À·½·¨²Î¼û¸½Â¼ B¡£ 9.2 Ïû·ÀÈËÔ±Ãð»ðʱӦÔÚÉÏ·çλ²¢Åä´÷·À¶¾Ãæ¾ß¡£ 9.3 ¼±¾È·½·¨²Î¼û¸½Â¼C,²¢Á¢¼´ËÍÒ½ÔºÕïÖΡ£ 4 GB 17915¡ª2013 ¸½ ¼ A (¹æ·¶ÐÔ¸½Â¼) ΣÏÕ»¯Ñ§ÉÌÆ·»ì´æÐÔÄÜ»¥µÖ±í ±í A.1 ¸ø³öÁËΣÏÕ»¯Ñ§ÉÌÆ·»ì´æÐÔÄÜ»¥µÖÇé¿ö˵Ã÷¡£ ±í A.1 ΣÏÕ»¯Ñ§ÉÌÆ·»ì´æÐÔÄÜ»¥µÖ±í Àà±ð ÓöˮȼÉÕÎïÆ· ¸¯Ê´ÐÔ ×ÔÈ»Ò×ȼ Ò×ȼ ÎïÆ· ¶¾ÐÔÎïÆ· ÒºÌå¹ÌÌå ·ÅÉäÐÔÎïÆ· ѹËõÆøÌå ±¬Õ¨ÐÔÎïÆ· Ñõ»¯¼Á ºÍÒº»¯ÆøÌå ÎïÆ· ËáÐÔ ¼îÐÔ ±¬Õ¨ ÆäËû±¬Õ¨Æ·µã»ðÆ÷²ÄÆð±¬Æ÷²Ä ¼¶ÎÞ»ú ¶þ¼¶ÎÞ»ú¼¶Óлú ¶þ¼¶Óлú ¾ç¶¾ÎÞ»ú¾ç¶¾ÓлúÓж¾ÎÞ»úÓÐŽ§Óлú ô[¶¾ȼÖúȼ²»È¼ ¶þ¼¶¼¶ ¶þ
GB17915-2013 腐蚀性商品储存养护技术条件.pdf
下载提示

欢迎注册登陆领取积分/会员免费下载--获取途径:

1.上传文档获得2积分      2.签到获取。  3.个人中心获取邀请链接邀请好友获取积分   4.参加首页活动免费获取7天/90天会员

AI助手联系客服