登录
内容
内容
文库
首页
分类
文库专题
文档悬赏
文库移动端
网盘资源
标签库
智安生态
资讯
AI助手
智安导航
智安培训
考培中心
VIP
签到
文库
安全培训课件库
隐患排查治理
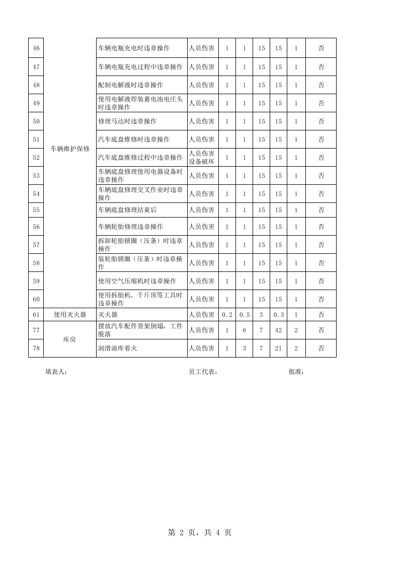
运输分公司危险源辨识与风险评价一览表.xls
付费文档
积分文档
XLS
4页
下载49
2024-05-02
浏览284203
收藏53
点赞39
评分-
50积分
收藏
已收藏
文档描述
运输分公司危险源辨识与风险评价一览表.xls
下载提示
欢迎注册登陆领取积分/会员免费下载--获取途径:
1.上传文档获得2积分 2.签到获取。 3.个人中心获取邀请链接邀请好友获取积分 4.参加首页活动免费获取7天/90天会员
AI助手
|
联系客服
小崔说安全
这个人很懒,什么都没留下
个人认证
查看用户
该文档于
上传
推荐文档
9、干货!安全用电基础知识及隐患排查重点.pptx
最新文档
公司风险点四色图示例.pptx
安全检查知识培训.pptx
钻工安全风险辨识及管控.xlsx
铸造作业安全检查表.xls
注塑车间等危险源辨识、风险评价和控制措施表(参考).xls
重大危险源危险品及临界量.xlsx
造林绿化危险源清单.xls
运输分公司危险源辨识与风险评价一览表.xls
园林工程施工现场危险源辨识.xls
有限空间作业危险源辨识清单丨25项.xls
您正在使用低版本浏览器,为了获得更良好的体验,建议您升级浏览器,为您推荐:
谷歌浏览器
火狐浏览器
360浏览器
×
文库主页
上传文档
智安导航
安全资讯
智安ai
智安培训