文库 安全生产/应急管理 应急管理 现场处置/方案/脚本

应急处置卡制作样式丨5页.docx

付费文档 积分文档 DOCX   5页   下载8   2024-05-01   浏览9149   收藏35   点赞14   评分-   2070字   100积分
应急处置卡制作样式丨5页.docx 第1页
应急处置卡制作样式丨5页.docx 第2页
应急处置卡制作样式丨5页.docx 第3页
应急处置卡制作样式丨5页.docx 第4页
应急处置卡制作样式丨5页.docx 第5页
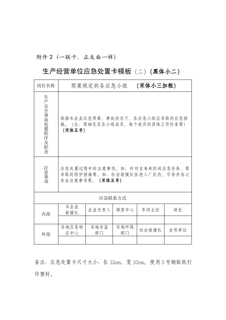
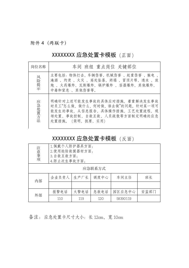
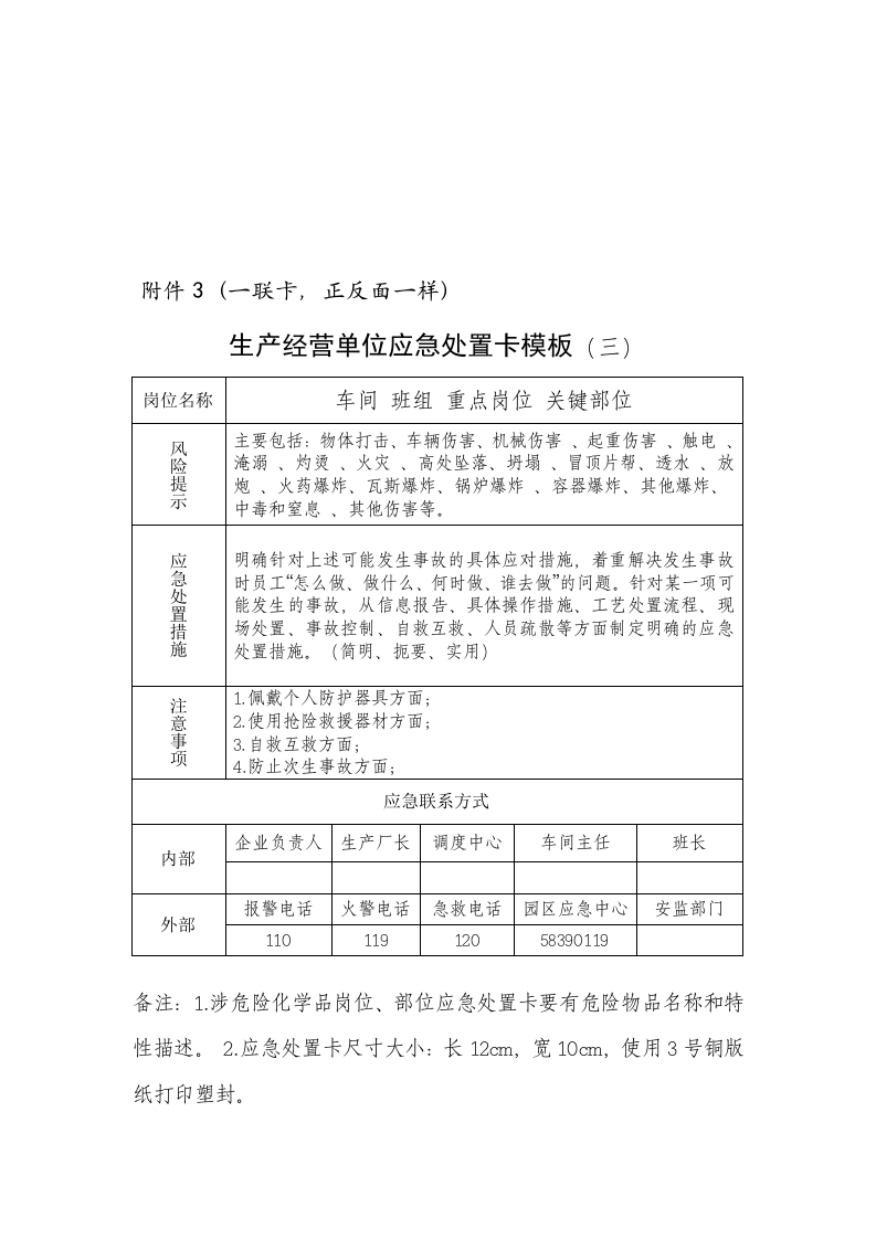
附件1 (一联卡,正反面一样) 生产经营单位应急处置卡模板 ( 一 ) ( 黑体小二 ) 岗位名称 (总指挥、副总指挥) (宋体小三加粗) 生产安全事故处置程序及职责 依据本企业应急预案,事故状态下,企业负责人应采取的应急措施。 (即预案规定的总指挥、副总指挥的应急职责) (宋体五号) 注意事项 应急处置过程中的注意事项。如:无法独立完成救援,向政府请求支援,必要时向有关单位发出救援请求 ;如:信息上报的途径、报告的对象、内容等。 (宋体五号) 应急联系方式 内部 本企业 救援队 应急负责人 调度中心 车间主任 班长 (宋体小五)   (宋体小五) (宋体小五) (宋体小五) (宋体小五)   外部 当地 应急响应中心 当地安监 部门 当地环保部门 社会救援队 友邻单位 (宋体小五) (宋体小五) (宋体小五) (宋体小五) (宋体小五) 备注: 应急处置卡尺寸大小:长12cm,宽 10 cm ,使用 3号铜版纸打印塑封。 附件 2 (一联卡,正反面一样) 生产经营单位应急处置卡模板 ( 二 ) ( 黑体小二 ) 岗位名称 预案规定的各应急小组   (宋体小三加粗) 生产安全事故处置程序及职责 依据本企业应急预案,事故状态下, 各应急小组 应采取的应急措施。 (注:需细化至各小组成员、每个成员的具体工作任务等) (宋体五号) 注意事项 应急处置过程中的注意事项。 如:针对自身承担的应急任务,需采取的防护措施等; 如:社会救援队伍进入厂区内,引导并告之安全注意事项等。 (宋体五号) 应急联系方式 内部 本企业 救援队 企业负责人 调度中心 车间主任 班长     外部 当地 应急响应中心 当地安监 部门 当地环保部门 社会救援队 友邻单位 备注: 应急处置卡尺寸大小:长12cm,宽 10 cm ,使用 3号铜版纸打印塑封。 附件 3 (一联卡,正反面一样) 生产经营单位应急处置卡模板 ( 三 ) 岗位名称 车
应急处置卡制作样式丨5页.docx
下载提示

欢迎注册登陆领取积分/会员免费下载--获取途径:

1.上传文档获得2积分      2.签到获取。  3.个人中心获取邀请链接邀请好友获取积分   4.参加首页活动免费获取7天/90天会员

AI助手联系客服