登录
内容
内容
文库
首页
分类
文库专题
文档悬赏
文库移动端
网盘资源
标签库
智安生态
资讯
AI助手
智安导航
智安培训
考培中心
VIP
签到
文库
安全生产/应急管理
应急管理
现场处置/方案/脚本
应急处置卡(建筑施工)丨22页.docx
付费文档
积分文档
DOCX
22页
下载15
2024-05-01
浏览23111
收藏51
点赞12
评分-
22字
100积分
温馨提示:当前文档最多只能预览 6 页,若文档总页数超出了 6 页,请下载原文档以浏览全部内容。
剩余16页未读,
下载浏览全部
收藏
已收藏
文本预览
文档描述
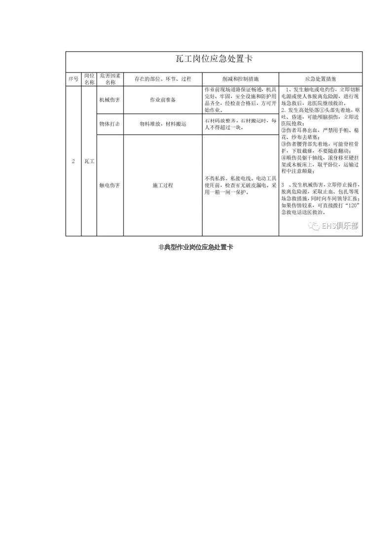
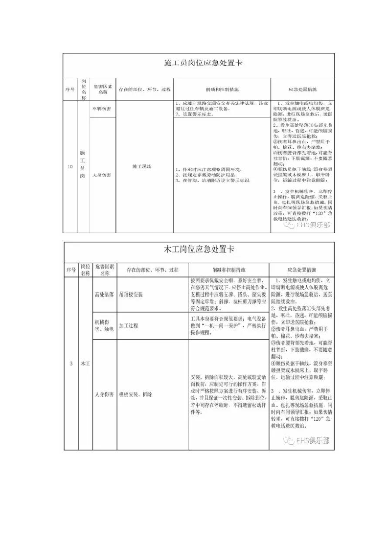
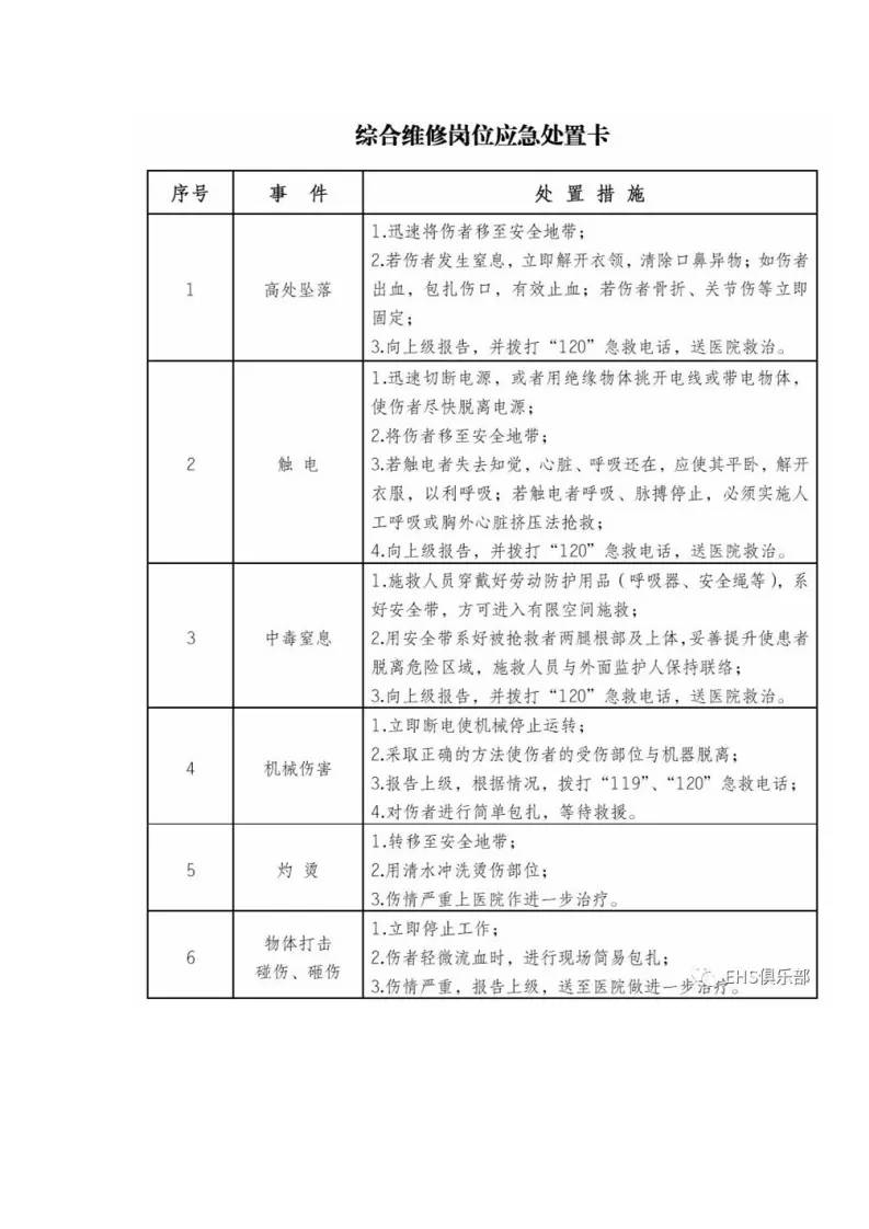
非常实用的应急处置卡 非 典型作业岗位应急处置卡
查看更多
收起部分
应急处置卡(建筑施工)丨22页.docx
下载提示
欢迎注册登陆领取积分/会员免费下载--获取途径:
1.上传文档获得2积分 2.签到获取。 3.个人中心获取邀请链接邀请好友获取积分 4.参加首页活动免费获取7天/90天会员
AI助手
|
联系客服
小崔说安全
这个人很懒,什么都没留下
个人认证
查看用户
该文档于
上传
推荐文档
最新文档
塔式起重机安装事故应急方案.docx
施工组织设计方案.docx
施工方案中安全技术措施的编制.docx
抗震救灾卫生防疫工作方案.docx
建筑工程安全文明施工措施方案.docx
火灾演练方案.docx
火灾爆炸应急准备和响应方案.docx
环形炉斜底安全应急方案.docx
表1 危险化学品生产储存废弃处置环节(化工、医药)事故跟踪督导情况报告单.docx
雨雪冰冻天车窗结冰处理办法.docx
您正在使用低版本浏览器,为了获得更良好的体验,建议您升级浏览器,为您推荐:
谷歌浏览器
火狐浏览器
360浏览器
×
文库主页
上传文档
智安导航
安全资讯
智安ai
智安培训