文库 安全生产/应急管理 风险管控及隐患排查

工程施工公司危险源辨识及评价表.docx

付费文档 积分文档 DOCX   83页   下载15   2024-04-29   浏览6659   收藏44   点赞28   评分-   28258字   50积分
温馨提示:当前文档最多只能预览 6 页,若文档总页数超出了 6 页,请下载原文档以浏览全部内容。
工程施工公司危险源辨识及评价表.docx 第1页
工程施工公司危险源辨识及评价表.docx 第2页
工程施工公司危险源辨识及评价表.docx 第3页
工程施工公司危险源辨识及评价表.docx 第4页
工程施工公司危险源辨识及评价表.docx 第5页
工程施工公司危险源辨识及评价表.docx 第6页
剩余77页未读, 下载浏览全部
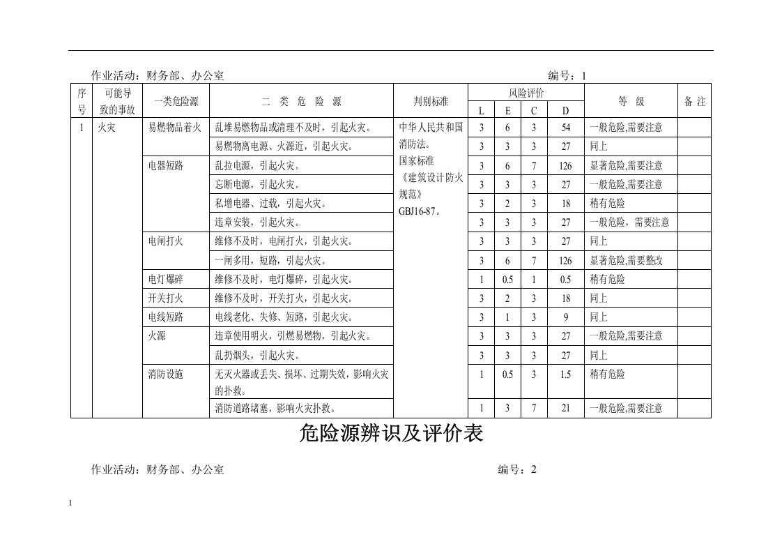
危险源辨识及评价(全公司) 编制: 各部门 审批: xx公司 20 11—2— 1 1 发布 实施 危险源辨识及评价表 作业活动:工程部、安全部、财务部 、项目部 、办公室 编号:1 序 号 可能导 致的事故 一类危险源 二 类 危 险 源 判别标准 风险评价 等 级 备 注 L E C D 1 环境污染 汞 含汞灯管及电池未集中堆放或 送至指定地点存放 LEC法 3 1 1 3 关注 2 高处坠落 培训不够,思想麻痹 违章,未戴个人防护 有高血压等其他疾病 3 3 3 2 3 0.5 3 3 3 18 27 4.5 关注 一般 关注 3 物体打击 坠物 1、工作中粗心;思想麻痹, 现场防护不符合要求 2、监查时未发现 3 3 6 6 3 3 54 54 关注 关注 4 触电伤害 电 绝缘老化或 个人防护不符合要求 现场防护不符合要求 6 3 6 6 3 3 108 54 显著 一般 5 机械伤害 机械 现场机械限位装置不符合要求 培训不够,检查中粗心大意 防护措施及其它措施不到位 3 3 3 6 6 6 3 3 3 54 54 54 一般 一般 一般 危险源辨识及评价表 作业活动:工程部、安全部、财务部 、项目部 、办公室 编号:2 序 号 可能导 致的事故 一类危险源 二 类 危 险 源 判别标准 风险评价 等 级 备 注 L E C D 6 火灾 易燃物品着火 乱堆易燃物品或清理不及时,引起火灾。 中华人民共和国消防法。 JGJ46-2005 3 6 3 54 一般危险,需要注意 易燃物离电源、火源近,引起火灾。 3 3 3 27 同上 电器短路 乱拉电源,引起火灾。 3 6 7 126 显著危险,需要注意 忘断电源,引起火灾。 3 3 3 27 一般危险,需要注意 私增电器、过载,引起火灾。 3 2 3 18 稍有危险 违章安装,引起火灾。 3 3 3 27 一般危险,需要注意 电闸打火 维修不及时,电
工程施工公司危险源辨识及评价表.docx
下载提示

欢迎注册登陆领取积分/会员免费下载--获取途径:

1.上传文档获得2积分      2.签到获取。  3.个人中心获取邀请链接邀请好友获取积分   4.参加首页活动免费获取7天/90天会员

AI助手联系客服