登录
内容
内容
文库
首页
分类
文库专题
文档悬赏
文库移动端
网盘资源
标签库
智安生态
资讯
AI助手
智安导航
智安培训
考培中心
VIP
签到
文库
工程管理
施工方案/组织设计
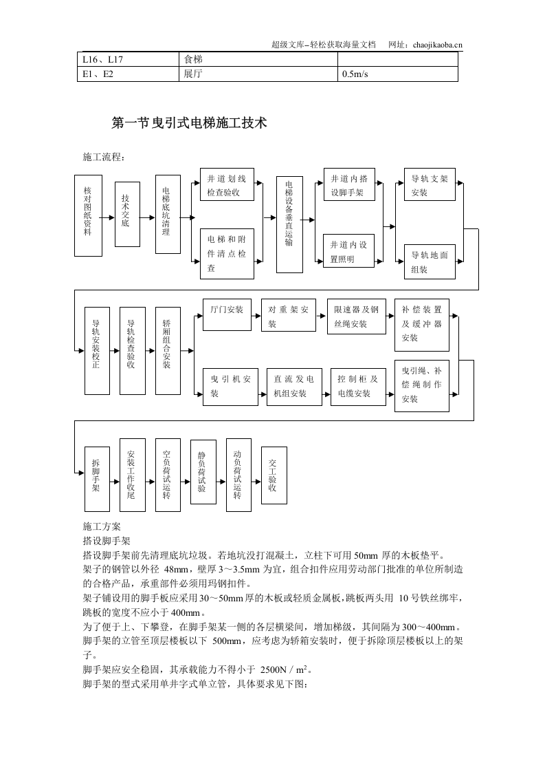
电梯施工组织设计.doc
付费文档
积分文档
DOC
11页
下载0
2023-01-27
浏览14
收藏0
点赞0
评分-
100积分
温馨提示:当前文档最多只能预览 3 页,若文档总页数超出了 6 页,请下载原文档以浏览全部内容。
剩余8页未读,
下载浏览全部
收藏
已收藏
文档描述
电梯施工组织设计.doc
下载提示
欢迎注册登陆领取积分/会员免费下载--获取途径:
1.上传文档获得2积分 2.签到获取。 3.个人中心获取邀请链接邀请好友获取积分 4.参加首页活动免费获取7天/90天会员
AI助手
|
联系客服
职场先锋
这个人很懒,什么都没留下
未认证用户
查看用户
该文档于
上传
推荐文档
通用施工组织设计报告.zip
施工组织设计资料集.zip
施工组织设计报告.zip
施工组织设计.zip
施工组织设计(高速公路路面工程).zip
最新文档
桩基临电方案.doc
住宅小区临电施工方案.doc
中铁临时用电组织设计(安全用电方案).docx
中天建设泽信青城一期临电专项施工方案.doc
中天建设石狮国工程临电专项施工方案.doc
中天建设福建高层住宅工程临电专项施工方案.doc
中交现场临时用电方案.docx
中建重庆江北国际机场航站楼临电方案(附计算书,共17页).doc
中建悦景庄·西双版纳项目东区一期临电、临水方案.doc
中建一局首都体育学院项目临电方案(终)(28页).doc
您正在使用低版本浏览器,为了获得更良好的体验,建议您升级浏览器,为您推荐:
谷歌浏览器
火狐浏览器
360浏览器
×
文库主页
上传文档
智安导航
安全资讯
智安ai
智安培训