文库 安全生产/应急管理 制度及规程 操作规程

XX石料加工厂安全管理制度和操作规程汇编(145页).docx

DOCX   146页   下载13   2024-05-03   浏览10932   收藏28   点赞16   评分-   45954字   150积分
温馨提示:当前文档最多只能预览 6 页,若文档总页数超出了 6 页,请下载原文档以浏览全部内容。
XX石料加工厂安全管理制度和操作规程汇编(145页).docx 第1页
XX石料加工厂安全管理制度和操作规程汇编(145页).docx 第2页
XX石料加工厂安全管理制度和操作规程汇编(145页).docx 第3页
XX石料加工厂安全管理制度和操作规程汇编(145页).docx 第4页
XX石料加工厂安全管理制度和操作规程汇编(145页).docx 第5页
XX石料加工厂安全管理制度和操作规程汇编(145页).docx 第6页
剩余140页未读, 下载浏览全部
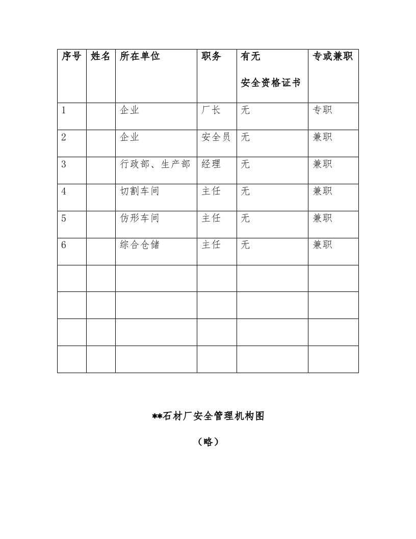
石材厂安全生产管理制度 安全 操作规程 汇编 ****石材加工厂 目录 石材厂安全生产管理制度 1 安全 操作规程 汇编 1 一 、安全 机构成立文件 3 二、安全生产管理制度 6 石材厂防火安全管理制度 41 一、目的 41 二、范围 42 三、职责 42 四、过程和方法 42 五、防火安全教育管理 44 六、防火安全检查和火险隐患整改管理 44 七、消防器材管理 45 八、奖惩 45 三、安全技术操作规程 62 电工日常检修安全操作规程 92 一、勘查检修现场。 92 二、召开检修安全会议。 92 三、停电、挂牌、三方确认。 93 四、落实安全防护措施。 93 五、遵照检修工序卡要求进行检修。 94 六、检修完成后的自检。 95 七、清理现场,撤掉安全防护措施,摘牌送电。 95 灭火器安全操作规程及管理 105 一、目的 105 二、适用范围 105 三、内容 105 乙炔瓶使用安全操作规程 107 一、使用 107 二、储存 109 三、运输 109 四、安全生产管理台帐 111 五、安全生产责任制 112 一、 总则 113 二、 企业安全生产领导小组安全职责 114 三、厂长安全职责 115 四、行政部(主任)安全职责 116 五、生产部(部长)安全职责 117 六、 车间(主任)安全职责 118 七、仓储(主任)安全职责 119 八、安全员安全职责 120 九、仓库保管员安全职责 121 十、特种(设备)作业人员安全职责 122 十一、驾驶员安全职责 123 十二、从业人员安全职责 124 一、管理目标 125 二、考核 126 石材厂部门负责人安全生产管理责任书 127 一、管理目标 127 二、考核 128 石材厂车间负责人安全生产管理责任书 129 一、管理目标 129 二、考核 131 石材厂仓储负责人安全生产管理责任书 131 一、管理目标 132 二、考核 133 石材厂安全员安全生产管理责任书 133 一、管理目标 134 二、考核 135 石材厂员工安全生产责任书 136 一、管理目标 136 二、考核 137 石材厂安全生产例会记录 1
XX石料加工厂安全管理制度和操作规程汇编(145页).docx
下载提示

欢迎注册登陆领取积分/会员免费下载--获取途径:

1.上传文档获得2积分      2.签到获取。  3.个人中心获取邀请链接邀请好友获取积分   4.参加首页活动免费获取7天/90天会员

AI助手联系客服