登录
内容
内容
文库
首页
分类
文库专题
文档悬赏
文库移动端
网盘资源
标签库
智安生态
资讯
AI助手
智安导航
智安培训
考培中心
VIP
签到
文库
安全生产/应急管理
风险管控及隐患排查
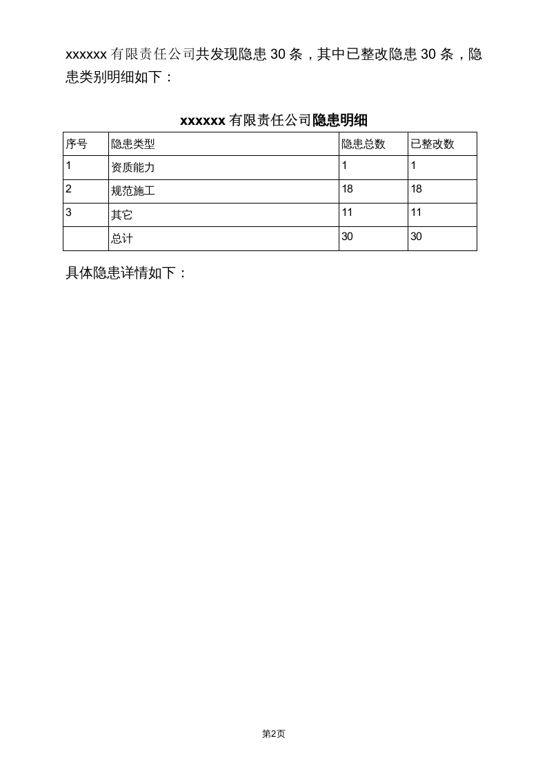
隐患排查及隐患整改前后对比报告(施工单位).doc
付费文档
积分文档
DOC
18页
下载0
2023-12-29
浏览11
收藏0
点赞0
评分-
50积分
温馨提示:当前文档最多只能预览 6 页,若文档总页数超出了 6 页,请下载原文档以浏览全部内容。
剩余12页未读,
下载浏览全部
收藏
已收藏
文档描述
隐患排查及隐患整改前后对比报告(施工单位).doc
下载提示
欢迎注册登陆领取积分/会员免费下载--获取途径:
1.上传文档获得2积分 2.签到获取。 3.个人中心获取邀请链接邀请好友获取积分 4.参加首页活动免费获取7天/90天会员
AI助手
|
联系客服
安全生产资讯
微信公众号:安全生产资讯 作者 关注公众号免费获取文档
未认证用户
查看用户
该文档于
上传
推荐文档
木材、板材加工厂双体系全套资料.zip
最新文档
锅炉缺陷预先危险性分析表.docx
重大危险源临界量.docx
现场危险源清单2042条.docx
危险化学品重大危险源监督管理暂行规定2015.docx
【天然气16】天然气公司重大危险源和应急救援制度.docx
【天然气15】天然气公司危险源辨识、风险评价.docx
【天然气04】燃气企业危险源辨识清单.docx
【模板】年终安全生产总结极简版(涉及重大危险源).docx
【仓储物流14】物流中心中度危险源清单.docx
某某制造公司双重预防机制建设达标文件(一企一册156页).docx
您正在使用低版本浏览器,为了获得更良好的体验,建议您升级浏览器,为您推荐:
谷歌浏览器
火狐浏览器
360浏览器
×
文库主页
上传文档
智安导航
安全资讯
智安ai
智安培训