文库 安全生产/应急管理 制度及规程 管理制度

安环制度之21.工业管道标识管理制度.docx

DOCX   9页   下载14   2024-05-25   浏览11413   收藏59   点赞6   评分-   2541字   120积分
温馨提示:当前文档最多只能预览 6 页,若文档总页数超出了 6 页,请下载原文档以浏览全部内容。
安环制度之21.工业管道标识管理制度.docx 第1页
安环制度之21.工业管道标识管理制度.docx 第2页
安环制度之21.工业管道标识管理制度.docx 第3页
安环制度之21.工业管道标识管理制度.docx 第4页
安环制度之21.工业管道标识管理制度.docx 第5页
安环制度之21.工业管道标识管理制度.docx 第6页
剩余3页未读, 下载浏览全部
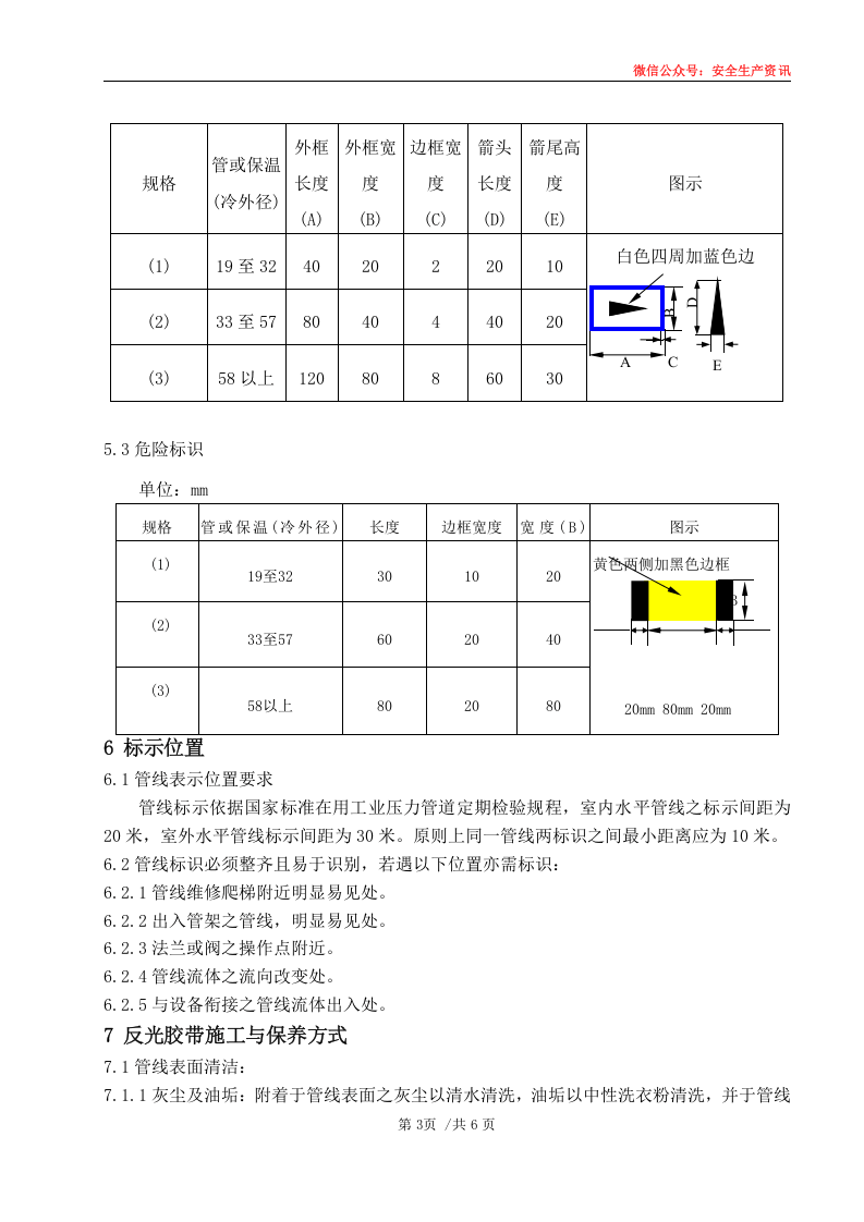
工业管道标识管理制度 AQR -Ⅱ-C-AH-00 21 编订: 安环部 审核: 批准: 公司文控中心 受控号   分发号   受控文件 制定日期: 202X 年 2月25 日 修订日期: 202X 年6月30日 安全人 XX生物 XX 有限公司 文 件 履 历 表 制定、修订日期 施行日期 修改页/款/条 修改内容 编制 审核 审批 202X /2/25 202X /2/25 安环部 202X /6/30 202X /6/30 对组织架构名称、制度格式进行了修改 安环部 目 录 1 总则 1 2 适用范围 1 3 管线流体标示识别方法 1 4 流体种类及识别颜色 1 5 识别色带规格 2 6 标示位置 3 7 反光胶带施工与保养方式 3 8 范例 5 9 附则 6 1 总则 依据GB 7231-2003工业管道的基本识别色和识别符号标准,制定内蒙XX公司管线流体流向标示基准,内容含识别色环的标示方法、颜色、规格与标示位置,以识别管内流体种类与性质,增进操作安全及避免管道衔接发生异常。 2 适用范围 适用于 安全人 XX生物 XX 有限公司管道(线)的标示。 3 管线流体标示识别方法 3.1安全流体见图1: 蒸 汽 流体识别颜色 流向箭头 中文流体名称 图1:安全流体之管线标示 3.2危险流体: 管内流体属于GB13690所列的危险化学品,及经各生产厂认定实际有危险性的,除基本识别色外,应追加使用安全色的危险标识见图2。 黑色边框 氨 气 危险标示 流体识别颜色 流向箭头 图2 危险流体之管线标示 4 流体种类及识别颜色 流体种类 识别颜色 流体名称与 代号颜色 范例 识别颜色编号 一次水 艳绿 白色 一次水 G03 循环水 艳绿 白色 循环水 G03 冷冻水 艳绿 白色 冷冻水 G03 凝结水 紫红 白色 凝结水 R04 蒸汽 大红 白色 蒸 汽 R03 空气 淡灰 黑色 空 气 B03 气体 中黄 黑色 氮 气 Y07 酸或碱 紫 白色 硫 酸 P02 可燃液体 棕 白色 柴 油 YR05 其它液体 (物料) 柠黄 黑色 糖 液 Y05 *固体、粉体 白 黑色 固 体 说明:*固体、粉体标识因国标未定义识别颜色,采用本公司识别颜色定义为白色。另针对保温管道、不锈钢管道、塑胶管不作油漆,仅作识别标示。 5 识别色带规格 识别色带分为识别标志、流向箭号、危险标识等三种样式,以反光胶带制作。 5.1识别标志 单位:mm 规格 管或保温(冷外径) 长度(A1) 长度(A2) 宽度(B) 字高(C) 图示 (1) 19至32 110 60 20 10 蒸 汽 识别颜色 B C A1 ( A2 ) (2) 33至57 220 120 40 20 (3) 58以上 280 160 80 40 注:流体代号字体采用黑体简体字,并且字高为色带宽度的1/2。A1长度为无危险标识时的尺寸,A2长度为有危险标识时的尺寸。 5.2流向箭号 单位:mm 规格 管或保温 (冷外径) 外框长度 (A) 外框宽度 (B) 边框宽度 (C) 箭头长度 (D) 箭尾高度 (E) 图示 (1) 19至32 40 20 2 20 10 白色四周加蓝色边 B D C A E (2) 33至57 80 40 4 40 20 (3) 58以上 120 80 8 60 30 5.3危险标识 单位:mm 规格 管或保温(冷外径) 长度 边框宽度 宽度(B) 图示 (1) 19至32 30 10 20 黄色两侧加黑色边框 B 20mm 80mm 20mm (2) 33至57 60 20 40 (3) 58以上 80 20 80 6 标示位置 6.1管线表示位置要求 管线标示依据国家标准在用工业压力管道定期检验规程,室内水平管线之标示间距为20米,室外水平管线标示间距为30米。原则上同一管线两标识之间最小距离应为10米。 6.2管线标识必须整齐且易于识别,若遇以下位置亦需标识: 6.2.1管线维修爬梯附近明显易见处。 6.2.2出入管架之管线,明显易见处。 6.2.3法兰或阀之操作点附近。 6.2.4管线流体之流向改变处。 6.2.5与设备衔接之管线流体出入处。 7 反光胶带施工与保养方式 7.1管线表面清洁: 7.1.1灰尘及油垢:附着于管线表面之灰尘以清水清洗,油垢以中性洗衣粉清洗,并于管线表面用清洁之抹布擦干,在管线尚湿润之状态,即可贴上反光胶带。 7.1.2铁锈:钢管表面若有生锈,先以手工除锈至ST3级后依油漆涂装基准涂上油漆,待油漆干燥后再贴上反光胶带。 7.2反光胶带黏贴: 7.2.1水平管线:根据流体流向,由左而右或由右而左,依序为危险标识、流体识别标志、流向箭头,如图3: 蒸 汽 蒸 汽 氨 气 氨 气 图3:水平管线标识 7.2.2垂直管线:根据流体流向,由上而下或由下而上,依序为危险标识、流体识别标志、流向箭头,如图4: 氨 气 蒸 汽 \ 蒸 汽 氨 气 图4:垂直管线标识 7.2.3双向水平管线:根据流体流向,由左而右或由右而左,依序为流向箭头、危险标识、流体识别标志、流向箭头,如图5: 蒸 汽 氨 气 图5:双向水平管线标识 7.2.4双向垂直管线:根据流体流向,由上而下或由下而上,依序为流向箭头、危险标识、流体识别标志、流向箭头,如图6: 蒸 汽 氨 气 图6:双向垂直管线标识 7.2.5黏贴后用双手由胶带中间往两边抚平压紧,使胶带与管线充分密合。 7.3反光胶带清洁保养 反光胶带使用一段时期后,因尘埃附着或油污沾附而不易辨识字体或颜色时,以清水或中性洗衣粉洗净。 8 范例 8.1公用流体 流体名称与代号 识别颜色 管线标示 井水 艳绿 井 水 氮气 中黄 氮 气 空气 浅灰 空 气 蒸气 大红 蒸 汽 发酵液 柠黄 发 酵 液 玉米浆 柠黄 玉 米 浆 8.2管道流体(GB13690所列的危险化学品) 流体名称与代号 识别颜色 管线标示 硝酸 紫 硝 酸 氨气 中黄 氨 气 盐酸 紫 盐 酸 液碱 紫 液 碱 硫酸 紫 硫 酸 9 附则 9.1 本制度由 安环部 起草、解释和修订。 9.2本制度自 202X 年8月3日起实施,原《工业管道标识管理制度》同时废止。
安环制度之21.工业管道标识管理制度.docx
下载提示

欢迎注册登陆领取积分/会员免费下载--获取途径:

1.上传文档获得2积分      2.签到获取。  3.个人中心获取邀请链接邀请好友获取积分   4.参加首页活动免费获取7天/90天会员

AI助手联系客服