登录
内容
内容
文库
首页
分类
文库专题
文档悬赏
文库移动端
网盘资源
标签库
智安生态
资讯
AI助手
智安导航
智安培训
考培中心
VIP
签到
文库
安全生产/应急管理
现场管理
安全检查表
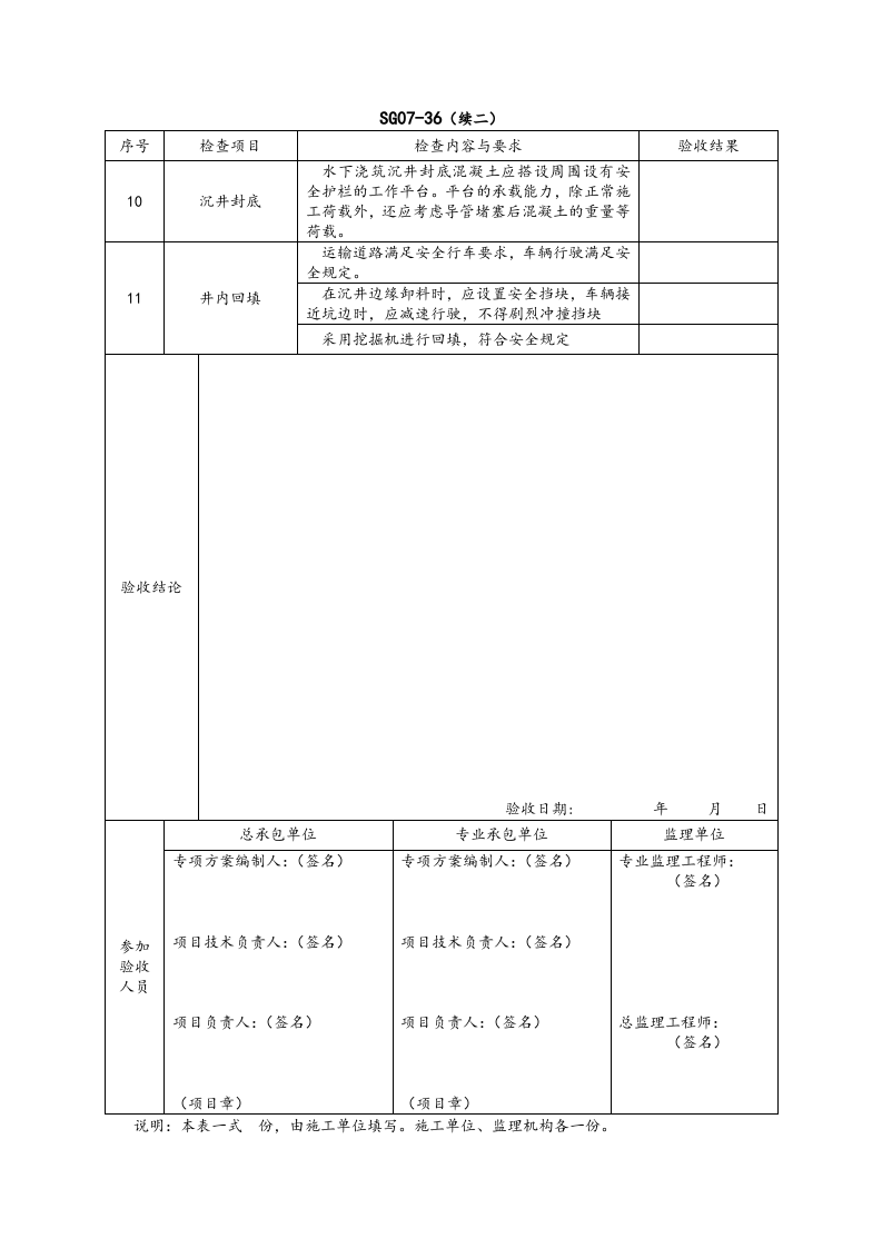
2.1.5沉井施工安全检查表式.doc
付费文档
积分文档
安全
施工
表
DOC
3页
下载0
2023-07-14
浏览10
收藏0
点赞0
评分-
60积分
收藏
已收藏
文档描述
2.1.5沉井施工安全检查表式.doc
下载提示
欢迎注册登陆领取积分/会员免费下载--获取途径:
1.上传文档获得2积分 2.签到获取。 3.个人中心获取邀请链接邀请好友获取积分 4.参加首页活动免费获取7天/90天会员
AI助手
|
联系客服
安全生产资讯
微信公众号:安全生产资讯 作者 关注公众号免费获取文档
未认证用户
查看用户
该文档于
上传
推荐文档
最新文档
职业安全健康规章制度与安全操作规程检查表.docx
小氮肥安全技术规程专项安全检查表.docx
棉花生产经营单位安全检查表.docx
小型露天采石场现场安全检查表(下载版).docx
非煤矿山小型露天采石场安全检查表.docx
非煤矿山企业安全检查表.docx
采石场(生产)安全隐患排查检查表.docx
粉尘涉爆企业隐患检查自查表.docx
危险化学品重点县指导服务安全检查表--最全版.xls
危险化学品企业安全检查表.docx
您正在使用低版本浏览器,为了获得更良好的体验,建议您升级浏览器,为您推荐:
谷歌浏览器
火狐浏览器
360浏览器
×
文库主页
上传文档
智安导航
安全资讯
智安ai
智安培训