文库 安全生产/应急管理 风险管控及隐患排查

建筑施工安全检查标准评分汇总表全套19个.docx

付费文档 积分文档 DOCX   20页   下载14   2024-04-29   浏览4102   收藏56   点赞11   评分-   21909字   66积分
温馨提示:当前文档最多只能预览 6 页,若文档总页数超出了 6 页,请下载原文档以浏览全部内容。
建筑施工安全检查标准评分汇总表全套19个.docx 第1页
建筑施工安全检查标准评分汇总表全套19个.docx 第2页
建筑施工安全检查标准评分汇总表全套19个.docx 第3页
建筑施工安全检查标准评分汇总表全套19个.docx 第4页
建筑施工安全检查标准评分汇总表全套19个.docx 第5页
建筑施工安全检查标准评分汇总表全套19个.docx 第6页
剩余14页未读, 下载浏览全部
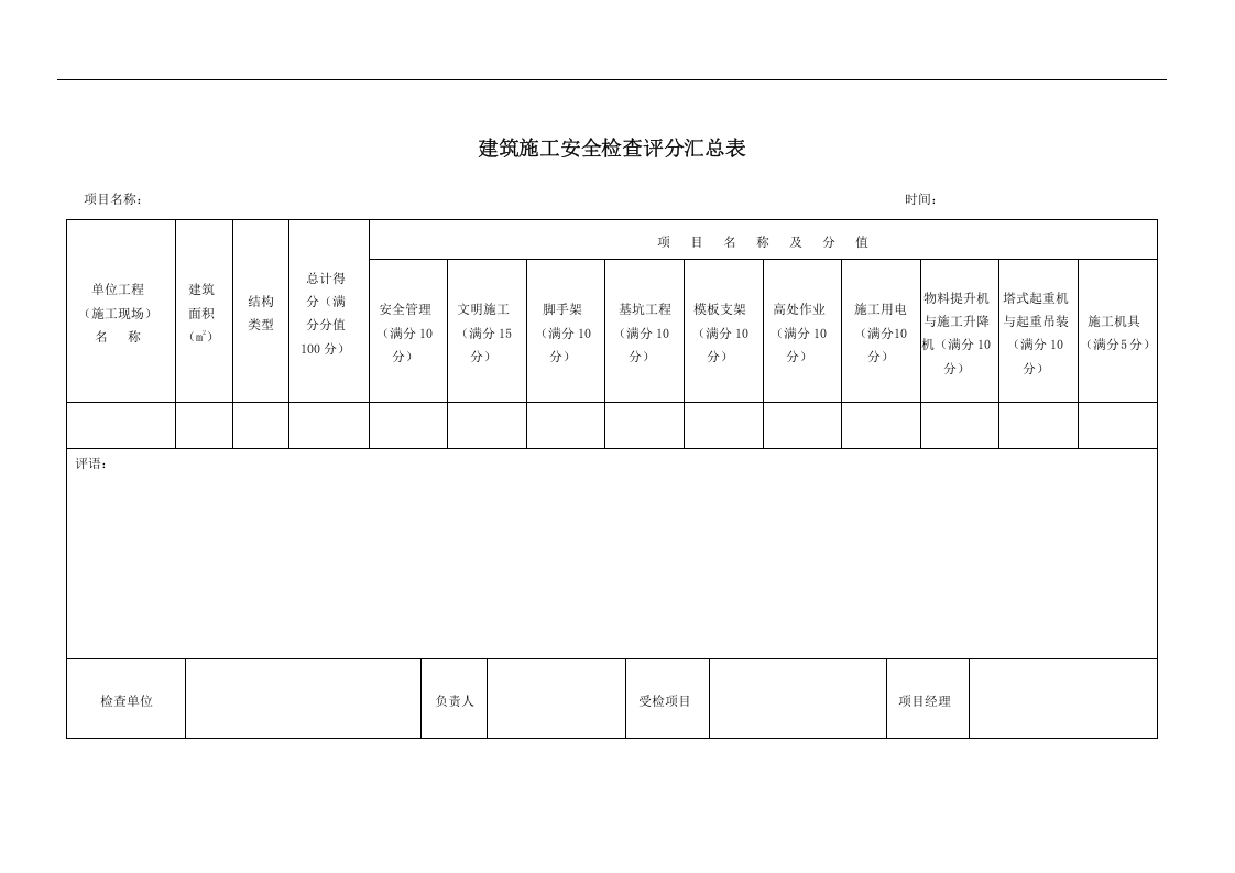
建筑施工安全检查评分汇总表 项目名称: 时间: 单位工程 (施工现场) 名 称 建筑 面积 ( m 2 ) 结构 类型 总计得 分(满 分分值 10 0分) 项 目 名 称 及 分 值 安全管理(满分10分) 文明施工(满分15分) 脚手架 ( 满分 10 分) 基坑工程(满分10分) 模板支架 (满分10分) 高处作业(满分10分) 施工用电(满分10分) 物料提升机与施工升降机( 满分 10分) 塔式起重机与起重吊装( 满分 10分) 施工机具( 满分 5分) 评语: 检查单位 负责人 受检项目 项目经理 表1 安全管理检查评分表 序号 检查项目 扣 分 标 准 应得 分数 扣减 分数 实得 分数 1 保 证 项 目 安全 生产 责任制 未建立安全生产责任制,扣 10 分 安全生产责任制未经责任人签字确认,扣 3 分 未配备各工种安全技术操作规程,扣 2 ~ 10 分 未按规定配备专职安全员,扣 2 ~ 10 分 工程项目部承包合同中未明确安全生产考核指标,扣 5 分 未制定安全生产资金保障制度,扣 5 分 未编制安全资金使用计划或未按计划实施,扣 2 ~ 5 分 未制定伤亡控制、安全达标、文明施工等管理目标,扣 5 分 未进行安全责任目标分解,扣 5 分 未建立对安全生产责任制和责任目标的考核制度,扣 5 分 未按考核制度对管理人员定期考核,扣 2 ~ 5 分 10 2 施工 组织 设计 及专项施工方案 施工组织设计中未制定安全技术措施,扣 10 分 危险性较大的分部分项工程未编制安全专项施工方案,扣 10 分 未按规定对超过一定规模危险性较大的分部分项工程专项施工方案进行专家论证,扣 10 分 施工组织设计、专项施工方案未经审批,扣 10 分 安全技术
建筑施工安全检查标准评分汇总表全套19个.docx
下载提示

欢迎注册登陆领取积分/会员免费下载--获取途径:

1.上传文档获得2积分      2.签到获取。  3.个人中心获取邀请链接邀请好友获取积分   4.参加首页活动免费获取7天/90天会员

AI助手联系客服