文库 安全生产/应急管理 现场管理

4.加油站安全设施管理及维护台账

付费文档 积分文档 安全生产资料 DOCX   13页   下载0   2022-12-29   浏览75   收藏0   点赞0   评分-   60积分
温馨提示:当前文档最多只能预览 6 页,若文档总页数超出了 6 页,请下载原文档以浏览全部内容。
4.加油站安全设施管理及维护台账 第1页
4.加油站安全设施管理及维护台账 第2页
4.加油站安全设施管理及维护台账 第3页
4.加油站安全设施管理及维护台账 第4页
4.加油站安全设施管理及维护台账 第5页
4.加油站安全设施管理及维护台账 第6页
剩余7页未读, 下载浏览全部
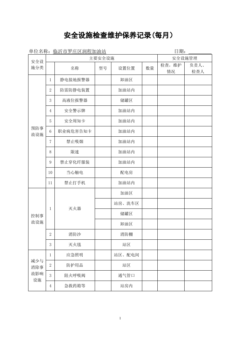
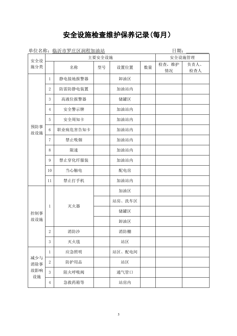
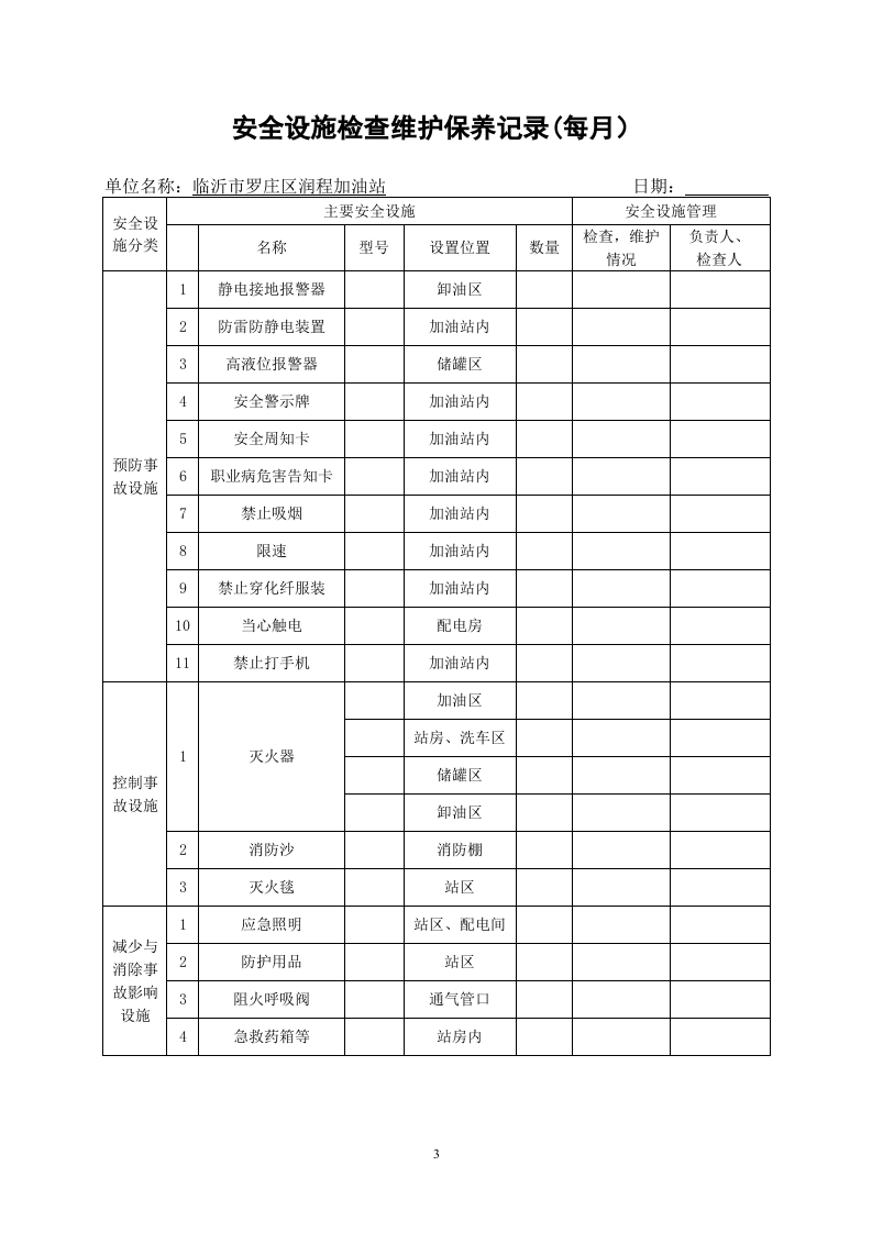
临沂市罗庄区润程加油站 安全设施检查维护保养记录(每月) 安全设施检查维护保养记录(每月) 单位名称: 临沂市罗庄区润程加油站 日期: 安全设施分类 主要安全设施 安全设施管理 名称 型号 设置位置 数量 检查,维护 情况 负责人、 检查人 预防事故设施 1 静电接地报警器 卸油区 2 防雷防静电装置 加油站内 3 高液位报警器 储罐区 4 安全警示牌 加油站内 5 安全周知卡 加油站内 6 职业病危害告知卡 加油站内 7 禁止吸烟 加油站内 8 限速 加油站内 9 禁止穿化纤服装 加油站内 10 当心触电 配电房 11 禁止打手机 加油站内 控制事故设施 1 灭火器 加油区 站房、 洗车 区 储罐区 卸油区 2 消防沙 消防棚 3 灭火毯 站区 减少与消除事故影响设施 1 应急照明 站区、配电间 2 防护用品 站区 3 阻火呼吸阀 通气管口 4 急救药箱等 站房内 安全设施检查维护保养记录(每月) 单位名称: 临沂市罗庄区润程加油站 日期: 安全设施分类 主要安全设施 安全设施管理 名称 型号 设置位置 数量 检查,维护 情况 负责人、 检查人 预防事故设施 1 静电接地报警器 卸油区 2 防雷防静电装置 加油站内 3 高液位报警器 储罐区 4 安全警示牌 加油站内 5 安全周知卡 加油站内 6 职业病危害告知卡 加油站内 7 禁止吸烟 加油站内 8 限速 加油站内 9 禁止穿化纤服装 加油站内 10 当心触电 配电房 11 禁止打手机 加油站内 控制事故设施 1 灭火器 加油区 站房、 洗车 区 储罐区 卸油区 2 消防沙 消防棚 3 灭火毯 站区 减少与消除事故影响设施 1 应急照明 站区、配电间 2 防护用品 站区 3 阻火呼吸阀 通气管口 4 急救药箱等 站房内 安全设施检查维护保养记录(每月) 单位名称: 临沂市罗庄区润程加油站 日期: 安全设施分类 主要安全设施 安全设施管理 名称 型号 设置位置 数量 检查,维护 情况 负责人、 检查人 预防事故设施 1 静电接地报警器 卸油区 2 防雷防静电装置 加油站内 3 高液位报警器 储罐区 4 安全警示牌 加油站内 5 安全周知卡 加油站内 6 职业病危害告知卡 加油站内 7 禁止吸烟 加油站内 8 限速 加油站内 9 禁止穿化纤服装 加油站内 10 当心触电 配电房 11 禁止打手机 加油站内 控制事故设施 1 灭火器 加油区 站房、 洗车 区 储罐区 卸油区 2 消防沙 消防棚 3 灭火毯 站区 减少与消除事故影响设施 1 应急照明 站区、配电间 2 防护用品
4.加油站安全设施管理及维护台账
下载提示

欢迎注册登陆领取积分/会员免费下载--获取途径:

1.上传文档获得2积分      2.签到获取。  3.个人中心获取邀请链接邀请好友获取积分   4.参加首页活动免费获取7天/90天会员

AI助手联系客服