文库 安全生产/应急管理 风险管控及隐患排查

职业病危害风险分级管控档案.docx

付费文档 积分文档 DOCX   65页   下载20   2024-04-29   浏览11049   收藏5   点赞30   评分-   27838字   60积分
温馨提示:当前文档最多只能预览 6 页,若文档总页数超出了 6 页,请下载原文档以浏览全部内容。
职业病危害风险分级管控档案.docx 第1页
职业病危害风险分级管控档案.docx 第2页
职业病危害风险分级管控档案.docx 第3页
职业病危害风险分级管控档案.docx 第4页
职业病危害风险分级管控档案.docx 第5页
职业病危害风险分级管控档案.docx 第6页
剩余59页未读, 下载浏览全部
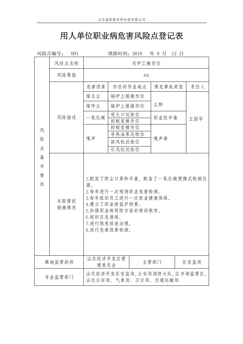
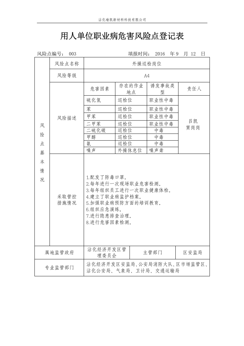
沾化瑜凯新材料科技有限公司 职业病危害风险点名册 单位名称(盖章): 沾化瑜凯新材料科技有限公司 法定代表人(签字): 年 月 日 生产经营单位基本信息 单位名称 沾化瑜凯新材料科技有限公司 法定代表人 孙淑华 联系电话 8192237 组织机构代码(或工商营业执照注册号) 组织机构代码:059001147 营业执照:371624200008551 详细地址 山东沾化经济开发区富源五路西侧 邮政编码 256800 行业类别 制造业 危险化学品生产 生产经营 活动类型 生产 主要产品 纯苯、甲苯、二甲苯、重苯 主要原料 焦油粗苯、甲醇 固定资产总值(万元) 年销售收入 (万元) 占地面积 ( m 2 ) 122654 职工人数 (人) 86 备注 填表人: 王宗强 联系电话: 15954322227 填表日期: 2016.9.11 用人单位职业病危害风险点登记表 风险点编号: 001 填报时间: 2016 年 9 月 12 日 风 险 点 基 本 情 况 风险点名称 司炉工操作位 风险等级 A4 风险描述 危害因素 存在的作业地点 诱发事故类型 责任人 煤总尘 锅炉上煤操作位 尘肺 王国华 煤呼尘 锅炉上煤操作位 一氧化碳 观火口巡检位 职业性中毒 控制室操作位 噪声 控制室操作位 噪声聋 导热油泵巡检位 鼓风机巡检位 引风机巡检位 采取管控 措施情况 配发了防尘口罩和耳塞,配备了一氧化碳便携式检测仪器。 每年进行一次现场职业危害检测。 每年组织员工进行一次职业健康体检。 建立了职业病监护档案。 加强职业病预防方面的培训教育。 组织应急演练。 进行隐患排查治理。 进行危害因素检测。 属地监管政府 沾化经济开发区管理委员会 主管部门 区安监局 专业监管部门 沾化经济开发区安监局、公安局消防大队、区市场监管区、沾化公安局、气象局、卫计局、交通运输局 用人单位职业病危害风险
职业病危害风险分级管控档案.docx
下载提示

欢迎注册登陆领取积分/会员免费下载--获取途径:

1.上传文档获得2积分      2.签到获取。  3.个人中心获取邀请链接邀请好友获取积分   4.参加首页活动免费获取7天/90天会员

AI助手联系客服