登录
内容
内容
文库
首页
分类
文库专题
文档悬赏
文库移动端
网盘资源
标签库
智安生态
资讯
AI助手
智安导航
智安培训
考培中心
VIP
签到
文库
安全生产/应急管理
现场管理
警示/告知牌
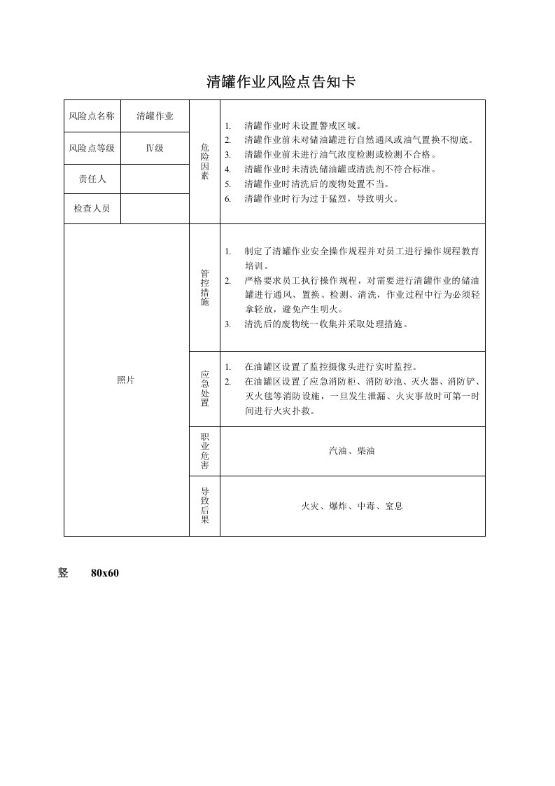
清罐作业风险告知牌.doc
付费文档
积分文档
DOC
1页
下载0
2023-09-11
浏览148
收藏0
点赞0
评分-
60积分
收藏
已收藏
文档描述
清罐作业风险告知牌.doc
下载提示
欢迎注册登陆领取积分/会员免费下载--获取途径:
1.上传文档获得2积分 2.签到获取。 3.个人中心获取邀请链接邀请好友获取积分 4.参加首页活动免费获取7天/90天会员
AI助手
|
联系客服
安全小e
123
个人认证
查看用户
该文档于
上传
推荐文档
安全生产“双亮”工程公示牌.docx
灭火器配置自动计算.xls
最新文档
食物安全标语大全.docx
煤矿井下知识型安全宣传标语五十条.docx
煤矿安全标语集锦.docx
煤矿安全标语.docx
经典建筑工地安全标语、口号.docx
建筑工程安全标语.docx
建筑安全事故宣传标语.docx
建筑安全标语.docx
安全生产标语.docx
作业场所安全标志标识的设置要求.docx
您正在使用低版本浏览器,为了获得更良好的体验,建议您升级浏览器,为您推荐:
谷歌浏览器
火狐浏览器
360浏览器
×
文库主页
上传文档
智安导航
安全资讯
智安ai
智安培训