文库 安全生产/应急管理 目标及职责 责任制

全套安全生产责任制考核表.docx

付费文档 积分文档 DOCX   17页   下载26   2024-05-05   浏览427775   收藏16   点赞39   评分-   9405字   130积分
温馨提示:当前文档最多只能预览 6 页,若文档总页数超出了 6 页,请下载原文档以浏览全部内容。
全套安全生产责任制考核表.docx 第1页
全套安全生产责任制考核表.docx 第2页
全套安全生产责任制考核表.docx 第3页
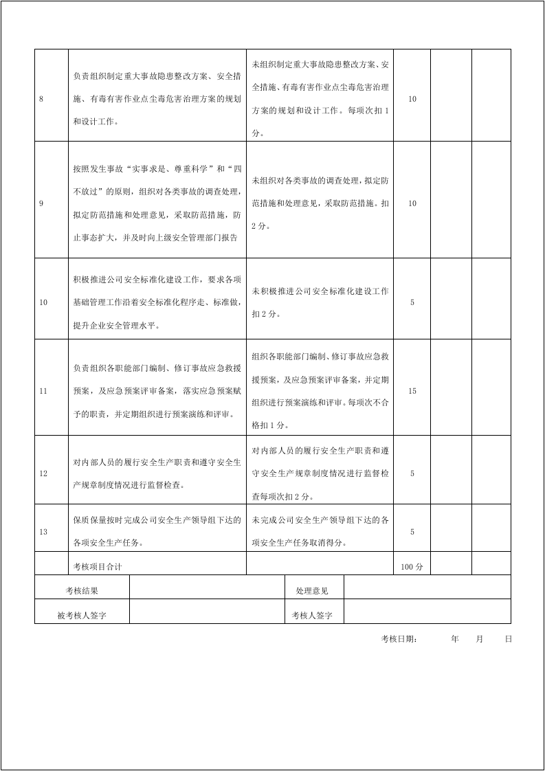
全套安全生产责任制考核表.docx 第4页
全套安全生产责任制考核表.docx 第5页
全套安全生产责任制考核表.docx 第6页
剩余11页未读, 下载浏览全部
总经理(安委会主任)安全生产责任制考核表 序号 考核项目 扣 分 标 准 应得分 扣减分 实得分 1 贯彻安全生产法律法规,建立安全生产保证体系,建立健全本单位安全生产责任制 对国家安全生产法律法规和地方政府规范性文件,未传达贯彻的扣15分,未及时传达贯彻的扣10分 未建立公司安全生产责任体系的扣10分 未制定公司安全生产方针、目标的扣10分 未组织编制安全生产管理文件的扣10分,编制不完善的扣5分,未公布的扣5分 15分 2 加强安全生产领导,依法建立适应的安全管理机构,签订确定岗位职责 未成立公司安全生产领导小组的扣10分 未与部门负责人签约确认安全生产责任的扣5分 对安全管理部门督查不力或不支持其工作的扣5分 10分 3 年度安全生产管理目标 未能杜绝设备、火灾、泄漏等重大事故和重大伤亡事故扣30分 未能达到企业年度安全生产管理目标的扣30分 30分 4 落实安全投入和教育培训 未编制安全投入计划的扣5分,未落实安全投入的扣10分 未编制教育培训计划的扣5分,未落实安全教育培训的扣10分 15分 5 组织制定并实施本单位的事故应急救援预案 未按上级有关部门的要求制定事故应急救援预案的扣10分,发生事故未能实施事故应急救援预案的扣15分 未能有效组织季节性、针对性专项安全检查的扣10分 15分 6 事故隐患或安全事故的处理与整改 发生事故未及时上报扣15分,未保护好现场扣10分 发现事故隐患或发生事故后,未及时提出整改措施,未对责任人提出处理意见的扣10分 15分 考核项目合计 100分 考核结果 处理意见 被考核人签字 考核人签字 考核日期: 年 月 日 副总经理(安委会副主任)安全生产责任制考核表 序号 考核项目 扣 分 标 准 应得分 扣减分 实得分 1 组织编制公司安全生产工作长远规划、年度计划,并组织实施 未编制公司安全生产工作的长远规划扣5分 未编制年度计划扣15分 15分
全套安全生产责任制考核表.docx
下载提示

欢迎注册登陆领取积分/会员免费下载--获取途径:

1.上传文档获得2积分      2.签到获取。  3.个人中心获取邀请链接邀请好友获取积分   4.参加首页活动免费获取7天/90天会员

AI助手联系客服