登录
内容
内容
文库
首页
分类
文库专题
文档悬赏
文库移动端
网盘资源
标签库
智安生态
资讯
AI助手
智安导航
智安培训
考培中心
VIP
签到
文库
安全生产/应急管理
职业卫生
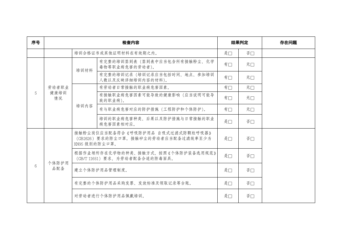
用人单位职业健康管理措施自查表-附件6.doc
付费文档
积分文档
DOC
5页
下载0
2023-12-25
浏览18
收藏0
点赞0
评分-
50积分
收藏
已收藏
文档描述
用人单位职业健康管理措施自查表-附件6.doc
下载提示
欢迎注册登陆领取积分/会员免费下载--获取途径:
1.上传文档获得2积分 2.签到获取。 3.个人中心获取邀请链接邀请好友获取积分 4.参加首页活动免费获取7天/90天会员
AI助手
|
联系客服
安达天下
这个人很懒,什么都没留下
未认证用户
查看用户
该文档于
上传
推荐文档
最新文档
职业卫生执法检查主要内容.docx
职业卫生危险因素告知卡.docx
职业卫生三同时管理制度全套档案汇编(52页).docx
职业卫生培训资料汇编.docx
职业卫生管理制度汇编.docx
职业卫生管理制度(模板共49页).docx
职业病防治管理制度汇编(42页).docx
用人单位职业健康培训大纲(国卫办职健函〔2022〕441号).docx
某公司职业卫生管理制度及操作规程(40页).docx
炼铁厂职业健康、安全管理制度汇编.docx
您正在使用低版本浏览器,为了获得更良好的体验,建议您升级浏览器,为您推荐:
谷歌浏览器
火狐浏览器
360浏览器
×
文库主页
上传文档
智安导航
安全资讯
智安ai
智安培训