登录
内容
内容
文库
首页
分类
文库专题
文档悬赏
文库移动端
网盘资源
标签库
智安生态
资讯
AI助手
智安导航
智安培训
考培中心
VIP
签到
文库
工程管理
技术交底
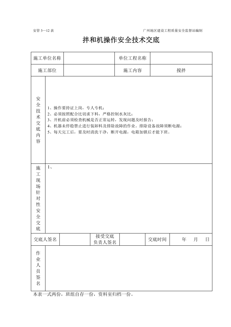
拌和机工程施工安全技术交底(表格).doc
安全交底
DOC
1页
下载0
2023-12-24
浏览7
收藏0
点赞0
评分-
30积分
收藏
已收藏
文档描述
拌和机工程施工安全技术交底(表格).doc
下载提示
欢迎注册登陆领取积分/会员免费下载--获取途径:
1.上传文档获得2积分 2.签到获取。 3.个人中心获取邀请链接邀请好友获取积分 4.参加首页活动免费获取7天/90天会员
AI助手
|
联系客服
安达天下
这个人很懒,什么都没留下
未认证用户
查看用户
该文档于
上传
推荐文档
安全技术交底汇总146个【公众号:安全生产资讯】.doc
最新文档
物料提升机操作人员安全技术交底丨01页.docx
施工升降机安装技术交底丨03页.docx
汽车吊安全技术交底-新版02页.docx
龙门架安装安全技术交底.docx
机械挖土工艺标准(102-1996).doc
机械回填土工艺标准(105-1996).doc
基土钎探工艺标准(103-1996) .doc
人工挖土工艺标准(101-1996).doc
人工回填土工艺标准(104-1996).doc
钢筋混凝土预制桩打桩工艺标准(203-1996).doc
您正在使用低版本浏览器,为了获得更良好的体验,建议您升级浏览器,为您推荐:
谷歌浏览器
火狐浏览器
360浏览器
×
文库主页
上传文档
智安导航
安全资讯
智安ai
智安培训