文库 安全生产/应急管理 风险管控及隐患排查

施工进场危险源辨识清单.docx

付费文档 积分文档 DOCX   4页   下载30   2024-04-29   浏览4355   收藏45   点赞57   评分-   1339字   50积分
施工进场危险源辨识清单.docx 第1页
施工进场危险源辨识清单.docx 第2页
施工进场危险源辨识清单.docx 第3页
施工进场危险源辨识清单.docx 第4页
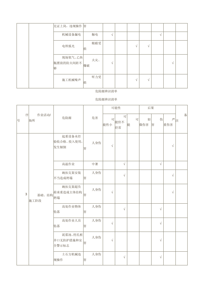
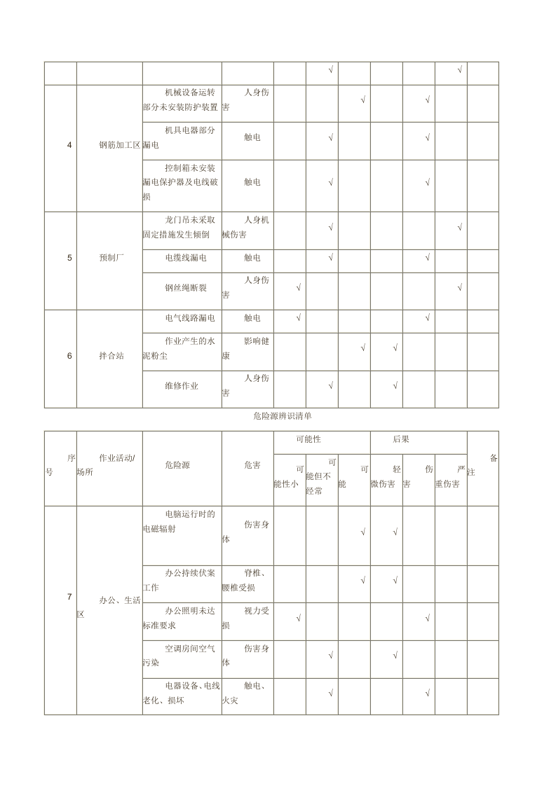
  危险源辨识清单 序号 作业活动/场所 危险源 危害 可能性 后果 备注 可能性小 可能但不经常 可能 轻微伤害 伤害 严重伤害 1 进场阶段 进场途中 交通安全 交通事故 √         √   现场临时饮用水 中毒 √     √       有害生物攻击 人身伤害 √       √     2 临时设施施工阶段 临时用电线路架设不符要求 触电   √     √     电器设备未做接地保护 触电 √       √     配电箱未安装漏电开关或漏电开关失灵 触电 √       √     临时建筑不符合防火要求 火灾   √       √   施工时破坏了原有地下管线 人身伤害 √       √     大风造成房屋坍塌 人身伤害   √       √   3   基础、结构施工阶段 土方开挖无防护措施 人身伤害 √       √     基坑支护不当,边坡坍塌 人身伤害 √       √     挖孔桩、土石方爆破 人身伤害   √       √   出入道口未采取防护措施和安全警示标志 人身伤害   √     √     特种作业人员无证上岗,违规操作 人身伤害   √     √     机械设备漏电 触电 √       √     电焊弧光 眼睛受损     √ √       现场氧气、乙炔瓶摆放的防火间距不够 火灾、爆破 √         √   施工机械噪声 听力受损     √ √       危险源辨识清单 危险源辨识清单 序号 作业活动/场所 危险源 危害 可能性 后果 备注 可能性小 可能但不经常 可能 轻微伤害 伤害 严重伤害 3   基础、结构施工阶段 起重设备未经验收合格、投入使用,发生倾倒   人身伤害 √         √   高温作业 中暑   √     √     碗扣支架安装不当造成坍塌 人身伤害   √       √   碗扣支架超负荷承重造成主体结构坍塌 人身伤害 √         √   高处作业物体坠落 人身伤害   √     √     高处作业人员坠落 人身伤害 √       √     泥浆池、挖孔桩井口无防护措施和安全警示标志 人身伤害 √       √     土石方机械
施工进场危险源辨识清单.docx
下载提示

欢迎注册登陆领取积分/会员免费下载--获取途径:

1.上传文档获得2积分      2.签到获取。  3.个人中心获取邀请链接邀请好友获取积分   4.参加首页活动免费获取7天/90天会员

AI助手联系客服