文库 安全生产/应急管理 制度及规程 管理制度

【奖惩制度台账44】员工安全奖惩考核条例.docx

DOCX   9页   下载21   2024-05-25   浏览10993   收藏53   点赞66   评分-   3397字   60积分
温馨提示:当前文档最多只能预览 6 页,若文档总页数超出了 6 页,请下载原文档以浏览全部内容。
【奖惩制度台账44】员工安全奖惩考核条例.docx 第1页
【奖惩制度台账44】员工安全奖惩考核条例.docx 第2页
【奖惩制度台账44】员工安全奖惩考核条例.docx 第3页
【奖惩制度台账44】员工安全奖惩考核条例.docx 第4页
【奖惩制度台账44】员工安全奖惩考核条例.docx 第5页
【奖惩制度台账44】员工安全奖惩考核条例.docx 第6页
剩余3页未读, 下载浏览全部
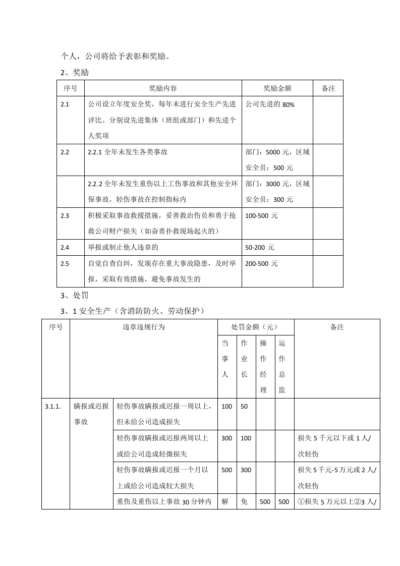
员工安全奖惩考核条例 安全第一 预防为主 综合治理 编者按 我们认为一个企业要良性运作,谋求发展,安全是可靠的保障,同时也涉及企业的可信度,而要安全必须有章可循。行为规范是确保安全的基本要求。要安全就应规范,而公司颁布的奖惩制度和相关规章制度、操作规程以及国家有关法律、法规、条文等就是规范行为的主要准则。 我们提倡以人为本的理念,就是倡导在组织大生产过程的团队精神在各项制度颁布以后强调执行力和重视员工这支生产的主力军。所以我们根据江苏省安全生产条例第是一条规定“生产经营单位制定安全生产奖励和惩罚制度”的精神,以严肃安全生产纪律,结合本公司生产现状和发展、员工的结构状况以及安全生产管理的实践体会,并征求公司各领导的意见,本着安全生产人人有责,以忠实地维护公司的根本利益和员工的切身利益为出发点,履行国家和省安全生产法规所赋予的职责,特编制这本小册子。 望广大员工认真阅读。反对和制止违章操作、违章指挥、违反安全纪律的行为,遵章守纪,规范作业,确保安全。以体现我国公司良好素质和形象,圆满完成生产计划,为公司增创效益,为更美好和谐的生活而努力。 公司运行管理部 二0一七年八月 安全生产(环保)奖惩考核条例 总则 1、1目的 按照国家安全生产法、环境保护法和省安全生产条例的精神,结合我公司安全生产、环保的现状和公司的发展,为进一步加强安全生产和环保管理,进一步落实安全生产责任制,增强全员安全和环保意识,增强安全生产和环保的自觉性,促进广大员工安全生产责任感,促进广大员工遵章守纪、规范操作。以达到防止和减少生产安全事故,确保公司财产免遭受损失、员工的健康安全和保护好环境的目的。同时根据公司安全生产管理制度规定,具体细化奖惩制度,特制定本条例。 1、2适用范围 上海安吉汽车零部件物流有限公司无锡分公司各部门、各作业点均适用本条例,进厂作业的外协单位参照本条例执行。 1、3原则 安全生产和环保工作奖惩考核时安全生产和环保管理的重要内容,要坚持安全第一、环保优先、以人为本、全员管理的原则,要严格安全纪律,强化执行力度,在计划、布置、检查、总结、评比生产(工作)的时候,必须同时计划、布置、检查、总结、评比安全工作。 1、4职责 公司运行管理部对公司的安全生产工作实施综合监督管理,即监督、指导、检查、协调负责本公司的安全生产管理工作。公司其他部门依照本条例和有关法律、法规的规定以及公司安全生产责任制,对各自职责范围内的安全生产工作实施责任主体负责制。 1、5责任追究 公式实行生产安全事故责任追究制度,依照本条例和有关法律、法规的规定以及公司规章制度,追究生产安全事故责任人员的相关责任。 1、6奖励机制 公司鼓励和支持安全生产科学技术研究和安全生产先进技术的推广应用,提高安全生产水平。公司对在改善安全生产条件、防止生产安全事故、参加抢先救护等方面取得显著成绩的部门和个人,给予奖励。公司的环保工作应得到各个部门和广大员工的积极支持和协助。对环保工作做出显著成绩的部门和个人,公司将给予表彰和奖励。 2、奖励 序号 奖励内容 奖励金额 备注 2.1 公司设立年度安全奖,每年末进行安全生产先进评比。分别设先进集体(班组或部门)和先进个人奖项 公司先进的 80% 2.2 2.2.1全年未发生各类事故 部门: 5000元,区域安全员:500元 2.2.2全年未发生重伤以上工伤事故和其他安全环保事故,轻伤事故在控制指标内 部门: 3000元,区域安全员:300元 2.3 积极采取事故救援措施,妥善救治伤员和勇于抢救公司财产损失(如奋勇扑救现场起火的) 100-500元 2.4 举报或制止他人违章的 50-200元 2.5 自觉自查自纠,发现存在重大事故隐患,及时举报,采取有效措施,避免事故发生的 200-500元 3、处罚 3、1安全生产(含消防防火、劳动保护) 序号 违章违规行为 处罚金额(元) 备注 当事人 作业长 操作经理 运作总监 3.1.1. 瞒报或迟报事故 轻伤事故瞒报或迟报一周以上,但未给公司造成损失 100 50 轻伤事故瞒报或迟报两周以上或给公司造成轻微损失 300 100 损失 5千元以下或1人/次轻伤 轻伤事故瞒报或迟报一个月以上或给公司造成较大损失 500 300 损失 5千元-5万元或2人/次轻伤 重伤及重伤以上事故 30分钟内未上报公司运行管理部或给公司造成严重损失 解聘 免职 500 500 ①损失5万元以上②3人/次以上(含3人/次)轻伤③重伤及重伤以上 3.1.2 造成本人工伤的 200 100 正常享受工伤和医疗待遇 3.1.3 违章造成他人伤害的或其他安全事故的(含未遂事故) 1人轻伤或损失1万元以下 300 100 2人以内轻伤或损失1万元-10万元 500 300 3人以上轻伤、重伤及重伤以上或损失10万元以上 解聘 免职 3.1.4 不按规定正确佩戴和使用劳保用品(按缺项) 第一次 50/项 第二次 100/项 50 第三次 解聘 200 3.1.5 特种设备作业人员将钥匙交给其他人操作 解聘 200 3.1.6 特种设备作业人员离开设备时应锁好并把要是拔下妥善保管,如因保管不善导致使钥匙被他人取得后进行操作的 解聘 200 3.1.7 叉车带人或超速行驶 200 100 3.1.8 擅自拆卸各类安全防护设施 解聘 200 3.1.9 因维修拆卸的安全防护设施维修人员未及时恢复的 200 100 第二次按 3.1.8执行 3.1.10 车间照明损坏的未及时维修 100 50 3.1.11 手持电动工具未按规定送检 100 50 3.1.12 手持电动工具带病运行或操作 防护装置缺失 100 50 电线裸露或破损 200 100 其他缺陷或问题 100 50 3.1.13 动火、登高、密闭空间、临时用电等危险作业未履行审批手续或安全防护措施落实不到位的 未造成事故 300 100 造成事故的 解聘 免职 3.1.14 酒后上岗 解聘 100 3.1.15 特种作业和特种设备作业无证操作 解聘 200 特种作业和特种设备及危化品保管员、采购员必须持证上岗 3.1.16 未按规定对员工进行安全教育或学时、内容等不符合相关规定 200 200 3.1.17 生产、仓储等禁火区域内吸烟 解聘 200 车间内非禁火区域内吸烟 200 100 3.1.18 无关人员进入变电所、配电室、操作室、主控室等要害、重要场所(部位) 200 当班人员允许他人进入负连带责任处罚 100元 3.1.19 乱动乱摸或开启非本岗位的机器设备(除维修和专业人员外) 解聘 200 3.1.20 违章指挥或强令冒险作业 解聘 200 3.1.21 设备检修没有切断电源,挂上警示牌并指定专人监控电气开关的 解聘 200 3.1.22 在连续生产过程中,其中部位要检修或处理生产方面的问题,没有在之前及时告知操作人员并挂上警示牌 解聘 200 3.1.23 人为原因造成悬挂的安全警示标志牌损坏的 100 3.1.24 消防设施附近堆放杂物,只是消防通道堵塞,影响事故救援的 解聘 200 消防设施各厂部应按区域制定责任人加强监护,日常检查出该项问题按 3.1.25对物品所有人或保管人进行处罚 3.1.25 灭火器箱内存放除灭火器以外的任何物品 100 50 3.1.26 擅自将消防器材挪作他用,影响事故救援的 解聘 200 3.1.27 使用过或过期的灭火器未及时更换 100 50 该区域其他人员 2元/只/人,造成事故或影响事故救援的,按3.1.26执行 3.1.28 化学品使用、存储场所无MSDS 100 50 3.1.29 使用、保管未按化学品安全技术说明书(MSDS)执行,化学品管理混乱 200 100 3.1.30 不按规定时间反馈或上报表单(如三级安全教育单、事故隐患整改单、工伤事故概况卡片等) 100 3.1.31 经查实作业区(或大班)一个月之内有三人次以上违章的 200 3.1.32 经查实车间一个月之内有六人次以上违章的 300 3.1.33 经查实 分厂 一个月之内有十人次以上违章的 50 0 3.1.34 事故隐患三次以上通报拒不整改或因整改不到位造
【奖惩制度台账44】员工安全奖惩考核条例.docx
下载提示

欢迎注册登陆领取积分/会员免费下载--获取途径:

1.上传文档获得2积分      2.签到获取。  3.个人中心获取邀请链接邀请好友获取积分   4.参加首页活动免费获取7天/90天会员

AI助手联系客服